放大电路接法判断
晶体管放大电路有共射、共集和共基三种接法,不同接法的电路有不同的特点,那么我们应该如何判断一个放大电路属于哪种接法呢?
判断电路属于哪种基本接法,首先要判断三极管类型(图1所示),然后看输入信号和输出信号通过哪个极作用于负载,具体如表 1 所示。

图1 NPN 型三极管(左)PNP 型三极管(右)
表 1 不同放大电路接法的判断

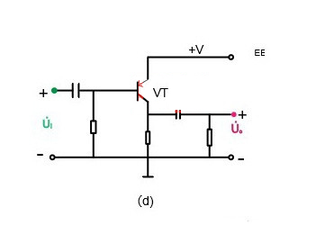
所以判断一个放大电路属于哪种接法关键就是找出输入端和输出端通过哪个极(为了更加直观,输入端我用绿色表示,输出端用红色表示)下面来判断一下这 5 个电路是哪种接法,其中[公式]表示直流,U表示交流。

图 a,输入端通过发射极(e)流入,输出端从集电极(c)流出,所以为基本共基放大电路

图 b,输入端通过发基极(b)流入,输出端从集电极(c)流出,所以为基本共射放大电路

图 c,输入端通过基极(b)流入,输出端从发射极(e)流出,所以为基本共集放大电路

图 d,输入端通过基极(b)流入,输出端从集电极(c)流出,所以为基本共射放大电路

图 e,对于 VT1:输入端通过基极(b)流入,输出端从集电极(c)流出,所以为基本共射放大电路对于 VT2:输入端通过发射极(e)流入,输出端从集电极(c)流出,所以为基本共基放大电路。
当然,还有一种方法是画出了交流通路,然后找到输入输出公共端的那一极,即为“基本共 X 放大电路”。
电话:18923864027(同微信)
QQ:709211280
〈烜芯微/XXW〉专业制造二极管,三极管,MOS管,桥堆等,20年,工厂直销省20%,上万家电路电器生产企业选用,专业的工程师帮您稳定好每一批产品,如果您有遇到什么需要帮助解决的,可以直接联系下方的联系号码或加QQ/微信,由我们的销售经理给您精准的报价以及产品介绍

