等效电阻简介
几个连接起来的电阻所起的作用,可以用一个电阻来代替,这个电阻就是那些电阻的等效电阻。
也就是说任何电回路中的电阻,不论有多少只,都可等效为一个电阻来代替。而不影响原回路两端的电压和回路中电流强度的变化。
这个等效电阻,是由多个电阻经过等效串并联公式,计算出等效电阻的大小值。
也可以说,将这一等效电阻代替原有的几个电阻后,对于整个电路的电压和电流量不会产生任何的影响,所以这个电阻就叫做回路中的等效电阻。
等效电阻性质
电路中能替代几个电阻使其他部分无任何改变的一个电阻。又称总电阻。
在串联电路中,把欧姆定律分别用于每个电阻可得U1=IR1,U2=IR2,…,Un=IRn,根据电压定义,U=U1+U2+…+Un,于是U=I(R1+R2+…+Rn)。
若用一个阻值为R的电阻元件代替原来n个串联电阻,此R满足R=R1+R2+…+Rn,则此电阻元件的电流将与原串联电路的电流相同。
R称为串联电路的等效电阻。串联电路的等效电阻等于各分电阻之和。
在并联电路中,I=I1+I2+…+In,因为I1=U/R1,I2=U/R2,…In=U/Rn,所以I=U(1/R1+1/R2+…+1/Rn)。
若用一个阻值为R的电阻元件代替原来n个并联电阻,此R满足1/R=1/R1+1/R2+…+1/Rn,则此电阻元件上的电流将与原并联电路的总电流I相同。
R称为并联电路的等效电阻。并联电路的等效电阻的倒数等于各分电阻的倒数和。
关于等效电阻(总电阻)有以下几个结论:
①并联电路的等效电阻必小于每个参与并联的电阻的阻值;
②当两个电阻的阻值R1和R2相差悬殊时,串联等效电阻R近似等于其中较大电阻的阻值;并联等效电阻R近似等于其中小电阻的阻值;
③当两个电阻值相等时,并联等效电阻等于每个电阻阻值之半。
等效电阻计算方法
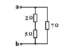
例:电路如图所示,计算a、b间的等效电阻Req。

解:对于电路(a):
上面的两个8Ω电阻并联,可以等效成一个4Ω电阻;3Ω和6Ω电阻并联,可以等效成一个2Ω电阻;下面的8Ω电阻与导线并联,被短接。
通过分析,原电路可以化简成

a、b间的等效电阻Req=6Ω。
对于电路(b):
两个4Ω电阻并联,可以等效成一个2Ω电阻;两个10Ω电阻并联,可以等效成一个5Ω电阻;7Ω电阻连在a、b之间。
通过分析,原电路可以化简成

a、b间的等效电阻Req=3.5Ω。
电话:18923864027(同微信)
QQ:709211280
〈烜芯微/XXW〉专业制造二极管,三极管,MOS管,桥堆等,20年,工厂直销省20%,上万家电路电器生产企业选用,专业的工程师帮您稳定好每一批产品,如果您有遇到什么需要帮助解决的,可以直接联系下方的联系号码或加QQ/微信,由我们的销售经理给您精准的报价以及产品介绍

