PWM MOS管驱动
PWM MOS管驱动实际是将PWM信号经过MOS进行功率放大,将PWM信号变成具备一定功率输出或有一定电流灌入能力的PWM波形。其常见的电路有PWM MOS管底边驱动,半桥输出、H桥输出和三相全桥输出。
其具体应用有如下应用:
PWM MOS管底边驱动:常见于斩波器(串励电机控制器)、反激式开关电源功率驱动、Boost升压电路、N型信号功率放大等各类电路中。
半桥输出:常见于高频谐振电源电路、大功率电磁炉等。
H桥:两个半桥构成一个H桥,常见于开关电源、高频焊机、大功率电磁炉、单相逆变器、有刷电机驱动等。
三相全桥:常见在变频器、伺服驱动、无刷电机驱动等相关电机的驱动方面。
以下是常见PWM MOS管驱动电路:
PWM MOS管底边驱动

此电路中,PWM信号驱动Q1,Q1具备较强的光电流能力,此电路可以控制有刷电机单向旋转、可以驱动大功率继电器、LED、指示灯等相关负载。
此电路中C10与D5构成灭弧电路,C10抑制Q1关断瞬间,J6第二脚的电压瞬间上升,通过C10,将此时刻的电压上升斜率降低,给D5二极管续流相应提供了一个反应时间。
D5具备续流的作用,Q1关断后,负载电流不能瞬间消失,当J6 第二脚电压大于第1脚电压时,电流会通过D5进行回馈到VCC_12中。
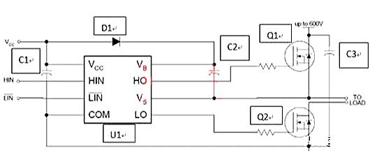
半桥输出:如下图是一个IR2103的典型半桥驱动电路

其中IR2103是典型的半桥驱动芯片。
其中图中所示:
C1 为IR2103 逻辑电源滤波电容;
C2为高边MOS驱动电源自举电容;
C3为高压电源滤波电容;
HIN为高边驱动信号,高有效;
LIN为底边驱动信号,低有效;
D1二极管为高边电源续流二极管,通过与C2自举电容、负载端(TO LOAD)脉冲波形配合,完成VB高边电源的电压举升。
注:半桥在工作时,Q1与Q2不能同时打开,若同时打开,会导致电源通过两个MOS管对地短路而造成电路永久性损坏。
该电路中,PWM控制HIN与LIN端,可实现控制MOS管输出,达到PWM功率放大的作用。其中MOS管中都内嵌续流二极管,因此在实际电路设计中,没有额外的追加续流二极管。
H桥电路:
H桥电路就是两个半桥电路中间加一个负载,该电路结构形状类似于大写的“H”,因此成为H桥基本电路,如下图所示:

其中QA、QB、QC、QD可以三极管、MOS管或IGBT,其中低压直流电机驱动或小功率电源驱动中采用N-MOS管较多,小信号、小功率采用互补性三极管或MOS管,输入高压大功率电源、大功率高频炉、大功率焊机会采用IGBT;
两边半桥采用半桥驱动芯片驱动,PWN信号通过控制半桥芯片,实现H桥的驱动。从而实现电机的驱动,电源谐振电路驱动,高频谐振电路驱动。
三相全桥是由三个半桥构成三相负载驱动的电路。其基本结构如下:

其中
VT1、VT4、D1、D4构成一个半桥
VT3、VT6、D3、D6构成一个半桥
VT5、VT2、D5、D2构成一个半桥
三相全桥电路常见在三相逆变器、变频器、伺服驱动、无刷电机驱动等相关电机的驱动方面,生活中涉及到的东西有电动自行车驱动器、电动汽车驱动器、电动大巴驱动器、供水管道电机驱动、供热管道电机驱动、楼宇排风电机驱动、变频空调电机驱动等等。
电话:18923864027(同微信)
QQ:709211280
〈烜芯微/XXW〉专业制造二极管,三极管,MOS管,桥堆等,20年,工厂直销省20%,上万家电路电器生产企业选用,专业的工程师帮您稳定好每一批产品,如果您有遇到什么需要帮助解决的,可以直接联系下方的联系号码或加QQ/微信,由我们的销售经理给您精准的报价以及产品介绍

