晶闸管简介
晶闸管(SCR),旧称可控硅,是一种可控型整流元件,其电路符号A为阳极,K为阴极,G为控制极。
晶闸管性能判别

(1)判别电极用红表棒固定接触任一电极不变,黑表棒分别接触其余两个电极,如果接触一个极时一次显示0.2~0.8V,接触另一个电极时显示溢出,则红表棒所接的为G,显示溢出时黑表棒所接的为A,另一极为K。
若测得不是上述结果,需将红表棒改换电极重复以上步骤,直至得到正确结果。
(2)判别触发特性数字万用表二极管挡所能提供的测试电流仅有1mA左右,故只能用于考察小功率单向晶闸管的触发能力。
操作方法如下:用红表棒固定接触A不变,黑表棒接触K,此时应显示溢出(关断状态)。接着将红表棒在保持与A接通的前提下去碰触G,此时显示值一般在0.8V以下(转为导通状态)。随即将红表棒脱离控制极,导通状态将继续维持。
如果反复多次测试都是如此,说明管子触发灵敏可靠。这种方法只适用于维持电流较小的管子。
晶闸管性能判别电路
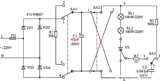
晶闸管性能判别电路如图所示。
电路工作原理
按图所示的方法接好被测试晶闸管VS后,接通交流电源。220V交流电压经VD1~VD4整流以及电容器C1滤波后,输出直流电压并加在被测试晶闸管两端。
与此同时,直流电压还通过电阻器R2对电容器C2充电,为检查晶闸管作好准备。

操作开关 SA3,使其接点(2—7)断开,接点(1—7)接通,晶闸管的门极G获得触发电压而导通,EL1、EL2 同时点亮。如果操作开关 SA3 后,EL1、EL2 没有点亮,则表示晶闸管已损坏。
如果第一步检查通过,可将 SA1 打到另一挡(2、3),切断直流电源的供电回路,电容器C1储存的能量通过电阻器R1释放,EL1、EL2熄灭。
然后将选择开关SA2打到右边,即接点(2—5)、(1—6)接通,使SA1开关回到初始位置(1、4)。因此,晶闸管VS获得反向直流电压。
在晶闸管未加触发电压的情况下,如果 EL1、EL2 点亮,则表示晶闸管不能承受300V 反向电压。按照指标规定耐压应能达到或超过 300V 而实际不能承受时,视被测试管为不合格。
本电路不仅可以用来测试单向晶闸管,还可以通过操作 SA2 对双向晶闸管提供两个象限的测试。当SA2在“1”位时,进行第一象限测试;当SA2在“2”位时,进行第三象限测试。判别方法和单向晶闸管一样。
注意事项
① 由于本电路用来测试的是大功率、高电压晶闸管,因此要注意测试安全。当需要操作晶闸管时,应对电容器C1放电。在测试过程中,不要用手直接摇动被测试器件。
② 如果要用本电路对低电压、大功率晶闸管的性能进行测试,则可在交流电源输入端加入一台自耦调压器,选择合适的电压后再进行测试。图中的电阻可根据实际需要作相应的变更。
电话:18923864027(同微信)
QQ:709211280
〈烜芯微/XXW〉专业制造二极管,三极管,MOS管,桥堆等,20年,工厂直销省20%,上万家电路电器生产企业选用,专业的工程师帮您稳定好每一批产品,如果您有遇到什么需要帮助解决的,可以直接联系下方的联系号码或加QQ/微信,由我们的销售经理给您精准的报价以及产品介绍

