互锁电路工作原理
互锁电路就是电路和两个回路,互相锁定,一个动作另一个不能动作。
只要把两个回路互加一个常闭接点就行了,一个回路起动时能把另一个回路切断。
互锁电器控制或机械操作机构用语。
比如电器控制中同一个电机的“开”和“关”两个点动按钮应实现互锁控制,即按下其中一个按钮时,另一个按钮必须自动断开电路,这样可以有效防止两个按钮同时通电造成机械故障或人身伤害事故。
机械行业的某些场合也会用到类似的互锁控制机构。有按钮互锁,接触器互锁等。

当SB2按下时,电流通过K1、SB2、M2-2给J1供电,KM1吸合(电机顺转),同时常开点M1-1也吸合接通.此时就可松开SB2,这叫自锁,M1-1叫自锁开关。
KM1吸合同时常闭点M1-2断开,切断J2的供电回路使J2无法吸合,这叫互锁。
M2-2是KM2的常闭点,只有J2断电释放、KM2断开时才会接通,所以叫互锁开关。

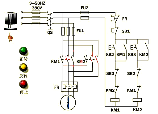
1、接触器互锁:KM1线圈回路串入KM2的常闭辅助触点,KM2线圈回路串入KM1的常闭触点。
当正转接触器KM1线圈通电动作后,KM1的辅助常闭触点断开了KM2线圈回路,若使KM1得电吸合,必须先使KM2断电释放,其辅助常闭触头复位,这就防止了KM1、KM2同时吸合造成相间短路,这一线路环节称为互锁环节。
2、按钮互锁:在电路中采用了控制按钮操作的正反传控制电路,按钮SB2、SB3都具有一对常开触点,一对常闭触点,这两个触点分别与KM1、KM2线圈回路连接。
例如按钮SB2的常开触点与接触器KM2线圈串联,而常闭触点与接触器KM1线圈回路串联。
按钮SB3的常开触点与接触器KM1线圈串联,而常闭触点压KM2线圈回路串联。
这样当按下SB2时只能有接触器KM2的线圈可以通电而KM1断电,按下SB3时只能有接触器KM1的线圈可以通电而KM2断电,如果同时按下SB2和SB3则两只接触器线圈都不能通电。这样就起到了互锁的作用。

互锁电路
电话:18923864027(同微信)
QQ:709211280
〈烜芯微/XXW〉专业制造二极管,三极管,MOS管,桥堆等,20年,工厂直销省20%,上万家电路电器生产企业选用,专业的工程师帮您稳定好每一批产品,如果您有遇到什么需要帮助解决的,可以直接联系下方的联系号码或加QQ/微信,由我们的销售经理给您精准的报价以及产品介绍

