输出短路保护电路
上电时:C2两端电压不能突变,Q2基极电压由VCC开始下降,下降到Q2可以导通(BE结压降取0.7V),这个时间大概是0.12mS。但是同时Q1也在起到阻止Q2导通的作用,Q1导通的时间大概是:5.87mS也就是说Q2在5.87mS后才会导通,但是同时C3在阻止Q3的导通,阻止时间是0.17mS。
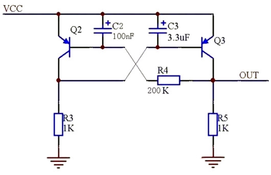
Q1的作用是延时,使得上电时保护电路不动作。这里的保护电路就是Q2和Q3组成的电路。就是让Q2处于截止状态,这样就可以正常输出电压了。Q1的延时,就是拖住Q2的导通时间,让Q3先导通。
C1决定保护电路通电时保护电路的灵敏度,C1容量不能太大,Q1同样是为了保护电路的可靠性稳定性而设计的,Q1、R1、R2、C1、D1主要是在电源突变时起了很大的作用。Q3在上电0.17mS后导通,负载得电,Q极电压达到13.3左右,迫使Q2截至,由此可见Q1可以去掉。

经典输出短路保护电路
短路时:Q极被拉低,Q2导通,形成自锁,迫使Q3截止,Q3截至后面负载没有电压,这时有没有负载已经没有关系了,所以即使拿掉负载也不会有输出。要想拿掉负载后恢复输出,可以在Q3得CE结上接一个电阻,取1K左右。
Q2和Q3的电路变换一下就容易看懂了。就是经典的晶体三极管锁存器。
如下图:

另外附上一些类似的图。



〈烜芯微/XXW〉专业制造二极管,三极管,MOS管,桥堆等,20年,工厂直销省20%,上万家电路电器生产企业选用,专业的工程师帮您稳定好每一批产品,如果您有遇到什么需要帮助解决的,可以直接联系下方的联系号码或加QQ/微信,由我们的销售经理给您精准的报价以及产品介绍
联系号码:18923864027(同微信)
QQ:709211280

