极速快3

您好!欢迎光临极速快3品牌官网!

深圳市极速快3有限公司

ShenZhen XuanXinWei Technoligy Co.,Ltd
二极管、三极管、MOS管、桥堆

全国服务热线:18923864027

  • 热门关键词:
  • 桥堆
  • 场效应管
  • 三极管
  • 二极管
  • 图文介绍变频器的硬件电路设计
    • 发布时间:2022-08-24 16:43:49
    • 来源:
    • 阅读次数:
    图文介绍变频器的硬件电路设计
    通用变频器的硬件电路设计
    变频器 电路
    基于DSP的通用变频调速系统总体设计图
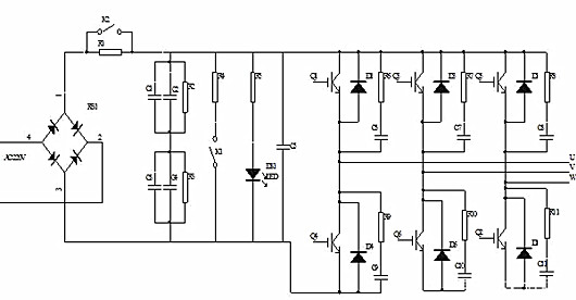
    其中主电路部分由整流电路、滤波电路、逆变电路(IPM)和IPM驱动电路与吸收电路组成。
    其工作原理是把单相交流电压通过不可控整流模块变为直流电压,整流后的脉动电压再经过大电容C1,C2平滑后成为稳定的直流电压。IPM逆变电路对该直流电压进行斩波,形成电压和频率均可调的三相交流电,提供给电机。
    系统保护电路包括过压、欠压保护、限流启动、IPM故障保护与泵升控制等。过压、欠压保护是利用电阻分压采集母线电压,与规定值相比较;限流启动是由于开启主回路时,大电容充电瞬间引起的电流过大,这样可能会损坏整流桥,因此在主回路上串联限流电阻R1,当电容电压达到规定值时,启动继电器把R1短路,主回路进入正常工作状态;
    IPM故障保护是IPM内部集成的各种保护功能,包括过电流保护功能、短路保护功能、控制电源欠电压保护和管壳及管芯温度过热保护。把上述各种故障信号进行综合处理后形成总的故障信号送入DSP(TMS320LF2407A)的PDPINTA故障中断入口,进而封锁DSP的PWM波输出。
    控制电路包括DSP最小系统电路、频率输入电路、光耦隔离电路等。最小系统由DSP本身和外扩的数据SRAM、程序SRAM、复位电路、晶振、译码电路、电源转换电路和仿真接口JTAG电路组成,仿真接口JTAG电路是为了实现在线仿真,同时在调试过程装载数据代码和程序代码;
    频率输入电路可以设置系统要输出的SPWM波的频率;光耦隔离电路是为了把DSP输出的弱电信号和主电路的强电信号进行可靠隔离。
    主电路原理图如下图所示,由整流电路、滤波电路、逆变电路(IPM)和IPM的吸收电路组成。
    主电路采用典型的交-直-交电压源型通用变频器结构,输入功率级采用单相桥式不可控整流电路RB1,整流输出经中间环节大电容(由C1到C4电容组成)滤波,获得平滑的直流电压。
    逆变部分通过功率器件IGBT的导通和关断,输出交变的脉冲电压序列。由于功率器件开关频率过高,会产生电压尖脉冲,因此需要吸收电路来消除该尖峰。
    图中C5为C型吸收电路,R6到R11和C6到C11组成RC型吸收电路。发光二极管DS1用来显示滤波电容两端的电量。
    变频器 电路
    主电路原理图
    下面详细介绍各个部分电路及元件参数。(被控电动机参数为:△联接,额定功率为PN=60W,额定电压UN=220V,额定电流IN=0.28A,额定频率fN=50Hz,额定转速nN=1400r/min。)
    整流电路由4个整流二极管组成单相不可控整流桥,它们将电源的单相交流全波整流成直流。整流电路因变频器输出功率大小不同而异。
    小功率的,输入电源多用220V,整流电路为单相全波整流桥;大功率的,一般用三相380V电源,整流电路为三相桥式全波整流电路。本设计采用的是单相整流桥。
    〈烜芯微/XXW〉专业制造二极管,三极管,MOS管,桥堆等,20年,工厂直销省20%,上万家电路电器生产企业选用,专业的工程师帮您稳定好每一批产品,如果您有遇到什么需要帮助解决的,可以直接联系下方的联系号码或加QQ/微信,由我们的销售经理给您精准的报价以及产品介绍
     
    联系号码:18923864027(同微信)
    QQ:709211280

    相关阅读
    79991cm德彩网 美彩国际7709 佰富彩采购大厅-欢迎您 名贯彩票-大发精准计划 88爱彩 - 欢迎您 美彩国际 - 欢迎您 德彩网 - 欢迎您 79991cm德彩网