当使用固定的电阻限流时,电流大小受V_Cin和V_CL的差影响,安全上电瞬间的电流是最大的,随后电流按指数曲线逐渐变小。电阻值需要保证安全上电瞬间,最大电流也不会超过设定值I_SET。
随后的电流就更小于I_SET。这固然安全,但是也会造成电容CL充电过慢,后一级电路得到足够电压用时太长。
如果可以把电流始终限制在I_SET以下,可以去掉限流电阻,让电流保持略小于I_SET,快速充电。
如下图,电流曲线的积分为V_CL,左右两图的阴影面积大小相同,可以看出,电容CL得到相同的电压时,限流电路充电时间t2明显小于固定电阻充电时间t1。

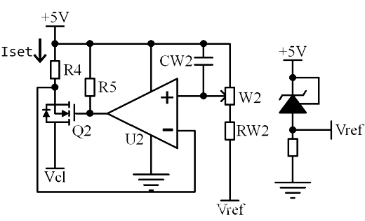
在电源与PMOS之间串联一个小电阻R4,就可以得到限流电路:

设R4电阻值为R,流过电阻的电流为I。把比较器的反相输入端接在R4与PMOS之间,则反相输入端的电压:

同相输入端接设置电压V_SET。开关闭合瞬间,I非常大,u_N很小,u_P>u_N,PMOS不导通。由于PMOS不导通,所以I几乎为0,u_N≈V_CC,u_P<u_N,PMOS导通。此时I非常大,u_N很小,u_P>u_N,PMOS不导通。
以此类推,可以看出PMOS在导通与截止状态间迅速切换,控制着电流的大小。令u_N=u_P,可得设定电流与参考电压的关系:

限流软启动电路比电阻+并联开关软启动方案为电容CL充电的速度快,由于R4的存在,也略微增大了稳态时的能量损耗,此电阻的阻值很小,0.2欧姆。
下图是它的效果波形截图,黄色是电流采样电路的输出,通过公式I=2V可以计算出浪涌电流的大小。蓝色是负载电容的电压。

电流不超过2A,保持在最大值约11mS,然后极速下降。电流在最大值期间,VCL匀速上升。
如下图是限流软启动电路与电阻+并联开关软启动电路配合使用的效果,用限流的方式代替固定电阻,用电阻+并联开关消除电阻上稳态时的能量损耗。

〈烜芯微/XXW〉专业制造二极管,三极管,MOS管,桥堆等,20年,工厂直销省20%,上万家电路电器生产企业选用,专业的工程师帮您稳定好每一批产品,如果您有遇到什么需要帮助解决的,可以直接联系下方的联系号码或加QQ/微信,由我们的销售经理给您精准的报价以及产品介绍
联系号码:18923864027(同微信)
QQ:709211280

