偏置电压的差分放大器电路
运放电路在单电源供电,而又处理交变信号时,常采用预加偏置电压的方法,(完成电平位移)取得完整的信号输出。
理论分析时,已不能简单套用反馈电压与输入电阻的比例来得到确定值了。若嫌计算繁琐或不想计算,此时据偏置电压和偏置电路,用电阻串联分压的简易方法,则不难实际推算出输出电压值。
HSV-162A伺服驱动器,电流检测的后级电路如图1所示。

1 预加偏置电压的差分衰减器电路
电路的基本结构为差分放大器,再看R2、R1的取值,是为差分衰减器电路,其电压衰减倍数是多少呢?
1)静态工作点
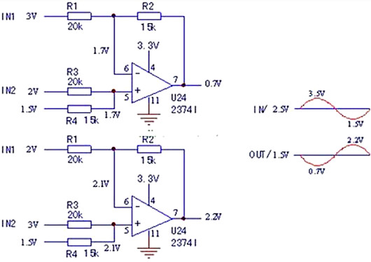
IN1=IN2=2.5V,据R3、R4的串联分压电路,可知U24两输入端电压皆为1.9V;再看R1、R2串联分压回路,与R3、R4的串联分压电路是同样的取值,可知此时电路输出电压,也为1.5V。
上电如果测U24的7脚输出电压为1.5V,上电报过电流故障,已经排除该电路了。
2)动态输出
假定输入电压的差分值即IN1-IN2是±1V,输出电压是如何变化呢?看图2。

图2 动态输出等效图
据输入信号电压变化,同样,由R1/R2和R3/R4的串联分压电路,可大致估算出输出电压值,见图2右侧的波形图。
输入±1V;输出±0.5V。
得到结论,该电路是将输入信号之差衰减2倍输出的差分衰减器。
用串联分压算一下,个人感觉比套用公式要简易得多,直捷得多,不用现翻书本。
由简单的估算确定电路的类型和好坏。如果相当熟了,一看电阻值,就知输出电压了。一搭表笔,就知电路的好坏了。
遇有放大器电路问题,不要忙着换片,测量一下比焊片更快也更省事儿。因为确定其好坏,不是难事儿。
〈烜芯微/XXW〉专业制造二极管,三极管,MOS管,桥堆等,20年,工厂直销省20%,上万家电路电器生产企业选用,专业的工程师帮您稳定好每一批产品,如果您有遇到什么需要帮助解决的,可以直接联系下方的联系号码或加QQ/微信,由我们的销售经理给您精准的报价以及产品介绍
联系号码:18923864027(同微信)
QQ:709211280

