极速快3

您好!欢迎光临极速快3品牌官网!

深圳市极速快3有限公司

ShenZhen XuanXinWei Technoligy Co.,Ltd
二极管、三极管、MOS管、桥堆

全国服务热线:18923864027

  • 热门关键词:
  • 桥堆
  • 场效应管
  • 三极管
  • 二极管
  • CMOS逻辑电路图文解析
    • 发布时间:2022-10-07 22:24:25
    • 来源:
    • 阅读次数:
    CMOS逻辑电路图文解析
    CMOS逻辑电路实现
    CMOS逻辑电路,分两部分,上拉部分,下拉部分。上拉部分由PMOS管电路构成,下拉部分由NMOS管电路组成,如下。上下拉,形成互补。
    CMOS 逻辑电路
    由前面的基础可知,CMOS只能实现基本逻辑的非,比如或逻辑,与逻辑,如果不加反相器,CMOS只能实现或非,与非逻辑。原因就是上拉逻辑只能用PMOS实现,下拉逻辑只能由NMOS实现,而PMOS的导通需要输入信号为0,NMOS导通需要输入信号为1。
    一般的设计过程
    既然如此,在用CMOS实现逻辑电路时,一般可以照如下顺序去做:
    可以先将其整体先加上一个非,作相应的逻辑转化。
    上拉逻辑中各个PMOS,与操作为并联,或操作为串联。
    下拉逻辑中各个NMOS,与操作为串联,或操作为并联。
    举例说明
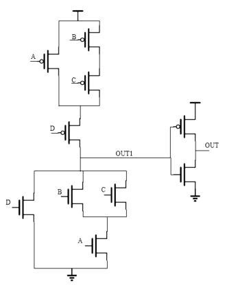
    比如我们想从CMOS层去实现逻辑 OUT = D+A*(B+C) (减号“-”表示取反(非)操作,“+”表示或,*表示与)。
    设计过程如下:
    OUT = - ( -(D+A*(B+C)) )
    OUT1 = -(D+A*(B+C))
    OUT = -OUT1
    对于OUT1 = -(D+A*(B+C)),正好是逻辑整体上带了个非,设计(D+A*(B+C))部分之后再加上一个非即可。
    故对于上拉逻辑:
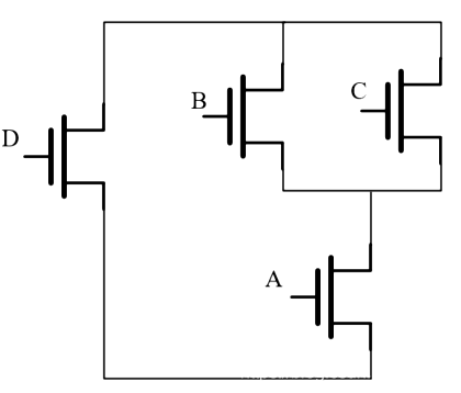
    1.或操作为串联,从而输入B,C接到的PMOS之间为串联。
    CMOS 逻辑电路
    2.与操作为并联,故输入A接到的PMOS跟B,C或逻辑之间为并联。
    CMOS 逻辑电路
    3.或操作为串联,故D与A*(B+C)的PMOS逻辑为串联。
    CMOS 逻辑电路
    对于下拉逻辑与上拉逻辑正好相反:
    4.或操作为并联,从而输入B,C接到的NMOS之间为并联。
    CMOS 逻辑电路
    5.与操作为串联,故输入A接到的NMOS跟B,C或逻辑之间为串联。
    CMOS 逻辑电路
    6.或操作为并联,故D与A*(B+C)的NMOS逻辑为并联。
    CMOS 逻辑电路
    7.从而得到 OUT1 = -(D+A*(B+C)) 的CMOS实现如下:
    过程中上下拉两部分的逻辑式相同,组合起来后,自行补充一个非。
    则实际分析电路中,一般只需单独分析一部分就行了。
    CMOS 逻辑电路
    8.OUT = -OUT1,故得最终答案如下:
    CMOS 逻辑电路
    当然,在MOS管级别还可以做一些优化,比如MOS管级别的逻辑优化,MOS管栅源共用,晶体管尺寸调整,重新安排各个输入的上下顺序等等,都可以在MOS管级别使得电路的时序与面积功耗等得到优化,但这不是我们的重点,一般对于全定制IC设计会从MOS管级开始考虑电路的实现。这里只是对其做一个了解。
    实际设计的重点还是会注重于门级以上的电路实现与优化,特别是到了Verilog描述,主要着重于数据流级,行为级描述。
    〈烜芯微/XXW〉专业制造二极管,三极管,MOS管,桥堆等,20年,工厂直销省20%,上万家电路电器生产企业选用,专业的工程师帮您稳定好每一批产品,如果您有遇到什么需要帮助解决的,可以直接联系下方的联系号码或加QQ/微信,由我们的销售经理给您精准的报价以及产品介绍
     
    联系号码:18923864027(同微信)
    QQ:709211280

    相关阅读
    79991cm德彩网 美彩国际7709 佰富彩采购大厅-欢迎您 名贯彩票-大发精准计划 88爱彩 - 欢迎您 美彩国际 - 欢迎您 德彩网 - 欢迎您 79991cm德彩网