极速快3

您好!欢迎光临极速快3品牌官网!

深圳市极速快3有限公司

ShenZhen XuanXinWei Technoligy Co.,Ltd
二极管、三极管、MOS管、桥堆

全国服务热线:18923864027

  • 热门关键词:
  • 桥堆
  • 场效应管
  • 三极管
  • 二极管
  • MOS管参数测试方法详细图文介绍
    • 发布时间:2022-10-13 18:20:09
    • 来源:
    • 阅读次数:
    MOS管参数测试方法详细图文介绍
    沟槽式场效应管
    沟槽式场效应管TrenchMOSFET是现在比较常用的金属-氧化物半导体场效应晶体管。因其具有低导通电阻、低栅漏电荷密度的特点,所以功率损耗低、开关速度快。且由于TrenchMOSFET为垂直结构器件,因此可进一步提高其沟道密度,减少芯片尺寸,使功率场效应管的SMD微型封装成为现实。
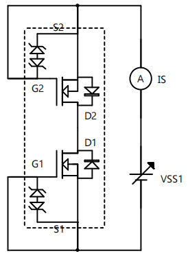
    在手机电池保护电路中,常用到两个场效应管共漏极使用的MOSFET,因为在手机保护电路中,即要进行过充检测也要进行过放检测。
    该类MOSFET内部电路结构如下图虚线内所示:
    MOSFET 参数 测试
    打开该类MOS的规格书我们会看到许多如下参数:
    MOSFET 参数 测试
    那么如何测试这些参数呢,下面请看测试手法!
    注意:
    下文中加粗字体为变量,需根据MOS规格书来确定实际参数。
    1、VSSS耐压
    按下图连接测试电路,设置VGS=0V,VSS1从0V以0.1V步增,逐渐增加电压至IS=1mA,且MOS无损毁,记录VSS1的电压。
    MOSFET 参数 测试
    按下图连接测试电路,设置VGS=0V,VSS2从0V以0.1V步增,瞬间增加电压至IS=1mA,且MOS无损毁,记录VSS2的电压。
    MOSFET 参数 测试
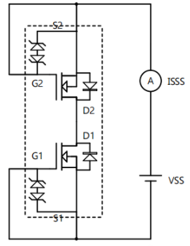
    2、ISSS电流
    按下图连接测试电路,设置VSS=12V,VGS=0V,记录下ISSS。
    MOSFET 参数 测试
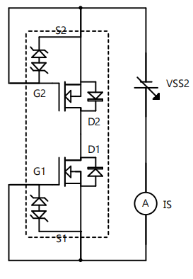
    3、VGS(th)开启电压
    按下图连接测试电路,设置VSS=6V,以0.1V同步增加VGS1的电压,直至ISS=1mA,记录下此时VGS1的电压,同理测试另一FET的VGS2。
    MOSFET 参数 测试
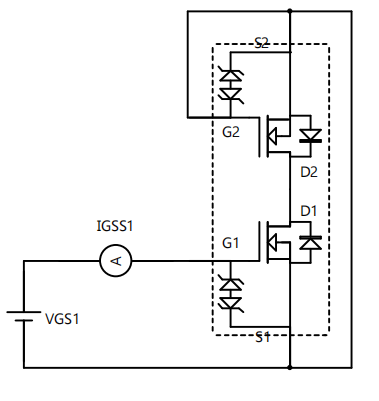
    4、IGSS栅极漏电流
    按下图连接测试电路,设置VSS=0V,VGS1=±8V,记录下IGSS1,同理测试另一FET的IGSS2。
    MOSFET 参数 测试
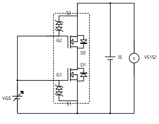
    5、RSS(on)内阻
    按下图连接测试电路,设置IS=6A,分别测试VGS等于4.5V、4.0V、3.8V、3.1V、2.5V时,S1与S2两端的电压VS1S2,RSS(on)=VS1S2/6A。
    MOSFET 参数 测试
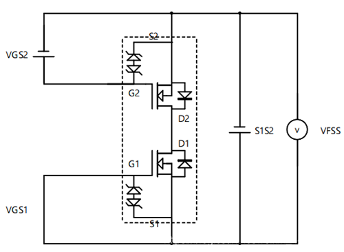
    6、VFSS二极管导通电压
    按下图连接测试电路,设置VGS2=4.5V,VGS1=0V,VS1S2=4.5V,IS1S2=6A,记录下测试的VFSS1。
    同理,设置VGS1=4.5V,VGS2=0V,VS2S1=4.5V,IS2S1=6A,记录下测试的VFSS2。
    MOSFET 参数 测试
    〈烜芯微/XXW〉专业制造二极管,三极管,MOS管,桥堆等,20年,工厂直销省20%,上万家电路电器生产企业选用,专业的工程师帮您稳定好每一批产品,如果您有遇到什么需要帮助解决的,可以直接联系下方的联系号码或加QQ/微信,由我们的销售经理给您精准的报价以及产品介绍
     
    联系号码:18923864027(同微信)
    QQ:709211280
    相关阅读
    79991cm德彩网 美彩国际7709 佰富彩采购大厅-欢迎您 名贯彩票-大发精准计划 88爱彩 - 欢迎您 美彩国际 - 欢迎您 德彩网 - 欢迎您 79991cm德彩网