极速快3

您好!欢迎光临极速快3品牌官网!

深圳市极速快3有限公司

ShenZhen XuanXinWei Technoligy Co.,Ltd
二极管、三极管、MOS管、桥堆

全国服务热线:18923864027

  • 热门关键词:
  • 桥堆
  • 场效应管
  • 三极管
  • 二极管
  • 多谐振荡器电路制作的LED闪烁灯介绍
    • 发布时间:2022-10-15 17:24:20
    • 来源:
    • 阅读次数:
    多谐振荡器电路制作的LED闪烁灯介绍
    多谐振荡器也叫无稳态触发器,“多谐”的含义就是含有多种频率成分的意思,因为其输出的是脉冲方波,而方波可以分解为多个不同频率的正弦波。
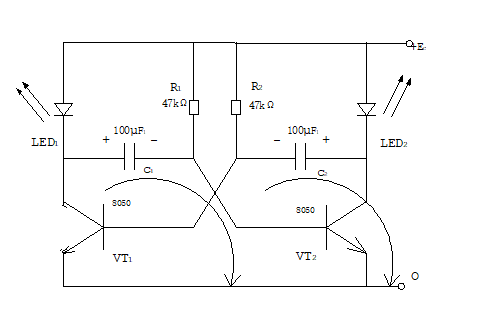
    这是一款闪烁灯,红色led、白色led灯交替闪烁,它的工作原理很简单,制作也很简单;通过这个制作可以进一步学习三极管的工作原理、电容器的充放电过程;电路原理图如下:
    电源电压2.3v-3.2v
    多谐振荡器 电路 LED
    多谐振荡器闪光灯
    该电路的特点:一个三极管的基极与另一个三极管的集电极通过电容C1、C2互相耦合,电路结构对称。
    如果没有耦合电容,两个三极管各自工作在饱和状态下,两个led灯均发亮且亮度不变,当接上耦合电容以后,这种稳定状况就遭到了破坏,变成了一个导通、一个截止交替进行的状态。
    我们知道即使是同型号的三极管,每个管子的参数也是会有差异的,特别是放大系数β,因此在接通的瞬间总是有一个管子先导通,假定是VT1先导通,则其集电极电位降低到0v(≈0v,因为三极管饱和时有饱和压降,分析方便按0v处理),led1发亮;
    因VT1导通后集电极电位降低,通过电容C1的耦合,使VT2基极电位降低(因为电容C1的两端电压不能突变,因此VT2基极电位降低),VT2截止,led2不亮;
    此时电源通过电阻R1对电容C1进行充电,其两端电压极性左负右正,且逐步升高,VT2基极电位逐步升高,为电路逆转酝酿;C2通过LED2充电(电流很小,灯不亮),极性左负右正,通过电容的电流方向如下:
    多谐振荡器 电路 LED
    VT1导通,VT2截止时状况
    当VT2基极电位逐步升高时,VT2导通,同时电容C1电压升高,负极电位加速了VT1截止、VT2导通,led2发亮,led1不亮,电容C2通过VT2放电;
    电源C1被充电,当电容C2放电结束之后,VT1基极电位升高,又开始了下一轮的振荡。此时通过电容C1、C2的电流方向如下:
    多谐振荡器 电路 LED
    VT1截止、VT2导通状态
    以上参数可以改变,改变电容C1、C2电阻R1、R2就可以改变振荡频率;通过对以上电路的分析。我们可知电容的充放电导致了VT1、VT2不断翻转,电容接通时相当于短路,充电满时相当于电源的性质发挥了关键作用;当VT1截止时输出高电位,当VT1导通时输出低电位,输出近似于方波。
    多谐振荡器在电子电路中应用非常广泛。用它来产生脉冲信号,推动其它电路工作。
    〈烜芯微/XXW〉专业制造二极管,三极管,MOS管,桥堆等,20年,工厂直销省20%,上万家电路电器生产企业选用,专业的工程师帮您稳定好每一批产品,如果您有遇到什么需要帮助解决的,可以直接联系下方的联系号码或加QQ/微信,由我们的销售经理给您精准的报价以及产品介绍
     
    联系号码:18923864027(同微信)
    QQ:709211280

    相关阅读
    79991cm德彩网 美彩国际7709 佰富彩采购大厅-欢迎您 名贯彩票-大发精准计划 88爱彩 - 欢迎您 美彩国际 - 欢迎您 德彩网 - 欢迎您 79991cm德彩网