LL4148开关二极管参数,LL4148正负极,LL4148封装
LL4148开关二极管,LL4148封装为LL34,LL4148二极管参数,LL4148二极管的作用介绍
LL4148开关二极管,LL4148封装为LL34,LL4148二极管参数,LL4148二极管的作用介绍
Non-Repetitive Peak Reverse Voltage VRM 非重复峰值反向电压:100V
Peak Repetitive Reverse Voltage VRRM 峰值重复反向电压:75V
Working Peak Reverse Voltage VRWM 工作峰值反向电压:75V
DC Blocking Voltage VR 直流阻断电压:75V
RMS Reverse Voltage VR(RMS) 均方根反向电压:75V
Average Rectified Forward Current IF 平均整流正向电流:200mA
Power Dissipation PD 功耗:500mW
RMS Reverse Voltage VR(RMS) 均方根反向电压:75V
Average Rectified Forward Current IF 平均整流正向电流:200mA
Power Dissipation PD 功耗:500mW
Forward Voltage VF at IF = 10 mA时,正向电压:1V
Operating junction and storage temperature range TJ,TSTG 工作温度和存储温度范围:-65to +175℃
LL4148开关二极管LL-34封装尺寸:

LL4148开关二极管SOT-23封装尺寸:

LL4148开关二极管LL-34封装尺寸:

LL4148开关二极管SOT-23封装尺寸:

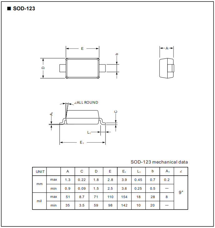
LL4148开关二极管SOD-123封装尺寸:


LL4148二极管SOD-323封装尺寸:

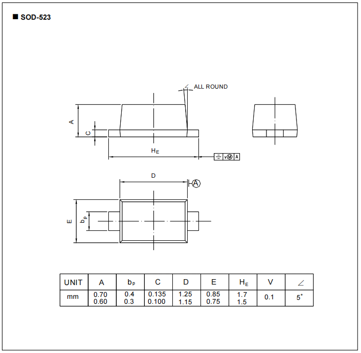
LL4148二极管SOD-523封装尺寸:

〈烜芯微/XXW〉专业制造二极管,三极管,MOS管,桥堆等,20年,工厂直销省20%,上万家电路电器生产企业选用,专业的工程师帮您稳定好每一批产品,如果您有遇到什么需要帮助解决的,可以直接联系下方的联系号码或加QQ/微信,由我们的销售经理给您精准的报价以及产品介绍

LL4148二极管SOD-523封装尺寸:

〈烜芯微/XXW〉专业制造二极管,三极管,MOS管,桥堆等,20年,工厂直销省20%,上万家电路电器生产企业选用,专业的工程师帮您稳定好每一批产品,如果您有遇到什么需要帮助解决的,可以直接联系下方的联系号码或加QQ/微信,由我们的销售经理给您精准的报价以及产品介绍
联系号码:18923864027(同微信)
QQ:709211280




