稳压电源
1、3~25V电压可调稳压电路图
此稳压电源可调范围在3.5V~25V之间任意调节,输 出电流大,并采用可调稳压管式电路,从而得到满意平稳的输出电压。
工作原理:经整流滤波后直流电压由R1提供给调整 管的基极,使调整管导通,在V1导通时电压经过RP、R2使V2导通,接着V3也导通,这时V1、V2 、 V3的发射极和集电极电压不再变化(其作用完全与稳压管一样)。调节RP,可得到平稳的输 出电压,R1、RP、R2与R3比值决定本电路输出的电压值。
元器件选择:变压器T选用80W~100W,输入AC220V ,输出双绕组AC28V。FU1选用1A,FU2选用3A~5A。VD1、VD2选用 6A02。RP选用1W左右普通电 位器,阻值为250K~330K,C1选用3300μF/35V电解电容,C2、C3选用0.1μF独石电容,C4选用 470μF/35V电解电容。R1选用180~220Ω/0.1W~1W,R2、R4、R5选用10KΩ、1/8W。V1选用 2N3055,V2选用 3DG180或2SC3953,V3选用3CG12或3CG80。

2、10A3~15V稳压可调电源电路图
无论检修电脑还是电子制作都离不开稳压电源,下 面介绍一款直流电压从3V到15V连续可调的稳压电源,最大电流可达10A,该电路用了具有温度 补偿特性的,高精度的标准电压源集成电路TL431,使稳压精度更高,如果没有特殊要求,基本 能满足正常维修使用,电路见下图。

其工作原理分两部分,第一部分是一路固定的 5V1.5A稳压电源电路,第二部分是另一路由3至15V连续可调的高精度大电流稳压电路。
第一路的电路非常简单,由变压器次级8V交流电压 通过硅桥QL1整流后的直流电压经C1电解电容滤波后,再由5V三端稳压块LM7805不用作任何调整 就可在输出端产生固定的5V1A稳压电源,这个电源在检修电脑板时完全可以当作内部电源使用 。
第二部分与普通串联型稳压电源基本相同,所不同 的是使用了具有温度补偿特性的,高精度的标准电压源集成电路TL431,所以使电路简化,成本 降低,而稳压性能却很高。
图中电阻R4,稳压管TL431,电位器R3组成一个连续 可调得恒压源,为BG2基极提供基准电压,稳压管TL431的稳压值连续可调,这个稳压值决定了 稳压电源的最大输出电压,如果你想把可调电压范围扩大,可以改变R4 和R3的电阻值,当然变 压器的次级电压也要提高。
变压器的功率可根据输出电流灵活掌握,次级电压 15V左右。桥式整流用的整流管QL用15-20A硅桥,结构紧凑,中间有固定螺丝,可以直接固定 在机壳的铝板上,有利散热。
调整管用的是大电流NPN型金属壳硅管,由于它的发 热量很大,如果机箱允许,尽量购买大的散热片,扩大散热面积,如果不需要大电流,也可以 换用功率小一点的硅管,这样可以做的体积小一些。
滤波用50V4700uF电解电容C5和C7分别用三只并联, 使大电流输出更稳定,另外这个电容要买体积相对大一点的,那些体积较小的同样标注 50V4700uF尽量不用,当遇到电压波动频繁,或长时间不用,容易失效。
最后再说一下电源变压器,如果没有能力自己绕制 ,有买不到现成的,可以买一块现成的200W以上的开关电源代替变压器,这样稳压性能还可进 一步提高,制作成本却差不太多,其它电子元件无特殊要求,安装完成后不用太大调整就可正常工作。
开关电源
1、PWM开关电源集成控制IC-UC3842工作原理
下图为UC3842 内部框图和引脚图,UC3842 采用固 定工作频率脉冲宽度可控调制方式,共有8 个引脚,各脚功能如下:
①脚是误差放大器的输出端,外接阻容元件用于改 善误差放大器的增益和频率特性;
②脚是反馈电压输入端,此脚电压与误差放大器同 相端的2.5V 基准电压进行比较,产生误差电压,从而控制脉冲宽度;
③脚为电流检测输入端, 当检测电压超过1V时缩小 脉冲宽度使电源处于间歇工作状态;
④脚为定时端,内部振荡器的工作频率由外接的阻 容时间常数决定,f=1.8/(RT×CT);
⑤脚为公共地端;
⑥脚为推挽输出端,内部为图腾柱式,上升、下降 时间仅为50ns 驱动能力为±1A ;
⑦脚是直流电源供电端,具有欠、过压锁定功能, 芯片功耗为15mW;⑧脚为5V 基准电压输出端,有50mA 的负载能力。

内部原理框图
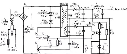
2、TOP224P构成的12V、20W开关直流稳压电源电路
由TOP224P构成的 12V、20W开关直流稳压电源电路 如图所示。
电路中使用两片集成电路:TOP224P型三端单片开关 电源(IC1),PC817A型线性光耦合器 (IC2)。交流电源经过UR和Cl整流滤波后产生直流高压 Ui,给高频变压器T的一次绕组供电。
VDz1和VD1能将漏感产生的尖峰电压钳位到安全值, 并能衰减振铃电压。VDz1采用反向击穿电压为200V的P6KE200型瞬态电压抑制器,VDl选用1A/ 600V的UF4005型超快恢复二极管。
二次绕组电压通过V砬、C2、Ll和C3整流滤波,获得 12V输出电压Uo。Uo值是由VDz2稳定电压Uz2、光耦中LED的正向压降UF、R1上的压降 这三者之和来设定的。
改变高频变压器的匝数比和VDz2的稳压值,还可获 得其他输出电压值。R2和VDz2五还为12V输出提供一个假负载,用以提高轻载 时的负载调整率 。反馈绕组电压经VD3和C4整流滤波后,供给TOP224P所需偏压。由R2和VDz2来调节控制端电流 ,通过改变输出占空比达到稳压目的。
共模扼流圈L2能减小由一次绕组接D端的高压开关波 形所产生的共模泄漏电流。C7为保护电容,用于滤掉由一次、二次绕组耦合电容引起的干扰。 C6可减 小由一次绕组电流的基波与谐波所产生的差模泄漏电流。C5不仅能滤除加在控制端上的 尖峰电流,而且决定自启动频率,它还与R1、R3一起对控制回路进行补偿。

本电源主要技术指标如下:
交流输入电压范围:u=85~265V;
输入电网频率:fLl=47~440Hz;
输出电压(Io=1.67A):Uo=12V;
最大输出电流:IOM=1.67A;
连续输出功率:Po=20W(TA=25℃,或15W(TA=50℃ );
电压调整率:η=78%;
输出纹波电压的最大值:±60mV;
工作温度范围:TA=0~50℃。
DC-DC电源
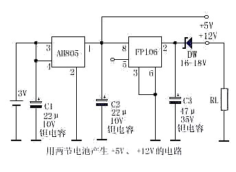
1、3V转+5V、+12V的电路图
由电池供电的便携式电子产品一般都采用低电源电 压,这样可减少电池数量,达到减小产品尺寸及重量的目的,故一般常用3~5V作为工作电压, 为保证电路工作的稳定性及精度,要求采用稳压电源供电。
若电路采用5V工作电压,但另需一个较高的工作电 压,这往往使设计者为难。本文介绍一种采用两块升压模块组成的电路可解决这一难题,并且 只要两节电池供电。
该电路的特点是外围元件少、尺寸小、重量轻、输 出+5V、+12V都是稳定的,满足便携式电子产品的要求。+5V电源可输出60mA,+12V电源最大输 出电流为5mA。

该电路如上图所示。它由AH805升压模块及FP106升 压模块组成。AH805是一种输入1.2~3V,输出5V的升压模块,在3V供电时可输出 100mA电流。 FP106是贴片式升压模块,输入4~6V,输出固定电压为29±1V,输出电流可达40mA,AH805及 FP106都是一个电平控制的关闭电源控制端。
两节1.5V碱性电池输出的3V电压输入AH805,AH805 输出+5V电压,其一路作5V输出,另一路输入FP106使其产生28~30V电压,经稳压管稳压后输出 +12V电压。
从图中可以看出,只要改变稳压管的稳压值,即可 获得不同的输出电压,使用十分灵活。FP106的第⑤脚为控制电源关闭端,在关闭电源时,耗电几乎为零,当第⑤脚加高电平》2.5V时,电源导通;当第⑤脚加低电平<0.4V时,电源被关闭。可以用电路来控制或手动控制,若不需控制时,第⑤脚与第⑧脚连接。
〈烜芯微/XXW〉专业制造二极管,三极管,MOS管,桥堆等,20年,工厂直销省20%,上万家电路电器生产企业选用,专业的工程师帮您稳定好每一批产品,如果您有遇到什么需要帮助解决的,可以直接联系下方的联系号码或加QQ/微信,由我们的销售经理给您精准的报价以及产品介绍
联系号码:18923864027(同微信)
QQ:709211280

