极速快3

您好!欢迎光临极速快3品牌官网!

深圳市极速快3有限公司

ShenZhen XuanXinWei Technoligy Co.,Ltd
二极管、三极管、MOS管、桥堆

全国服务热线:18923864027

  • 热门关键词:
  • 桥堆
  • 场效应管
  • 三极管
  • 二极管
  • 几个12V延时关闭电路图详解
    • 发布时间:2023-03-01 15:03:06
    • 来源:
    • 阅读次数:
    几个12V延时关闭电路图详解
    12V延时关闭电路图(一)
    当我们关闭电灯开关时希望电灯能延时一会儿再熄灭,以方便我们行走、关门等。本电路即可满足这一要求,当关闭电灯开关后电灯亮度减半,延时电路开始工作,经数十秒钟后电灯熄灭。
    需要注意的是本电路只适用于白炽灯,电路图如下:
    12V延时关闭电路
    原理简介
    当电灯开关SW闭合时,白炽灯正常点亮。SW断开后,延时熄灯电路开始工作,二极管D21N4007和可控硅T5BT169D接入电路代替了开关的位置。由于二极管D2半波整流的作用,白炽灯在半波脉动直流下工作,亮度减半。
    此时电阻R1开始对电容C1充电,C1上的电压缓慢上升,当上升到一定值时(约25.4V,含三极管两个PN结),稳压二极管D1导通,三极管T39014得到偏置电流饱和导通,旁路了可控硅的触发电流,可控硅截止,白炽灯熄灭,完成延时熄灯过程。
    接于可控硅控制极的电阻R5不能太小,以能触发可控硅即可,否则可控硅T5触发太早C1上将充不到足够电压。电阻R1和电容C1决定延时时间的长短,可根据实际应用取值。
    如果电灯开关盒空间足够,可以将本电路安装在开关盒内,既美观又实用。
    12V延时关闭电路图(二)
    无功耗延时熄灭触摸开关,平时不耗电,只有开关时才消耗一些电能。电路如图所示:
    12V延时关闭电路
    在没有触摸M时,220V市电虽然通过R1加到单向晶闸管VS1和VS2上,但由于没有触发信号,VS1和VS2均不导通,电路不工作。当用手触摸M时,就有微小电流通过C1、R3和人体,C1得到一定的电压使氖管V点亮并触发VS2使其导通。
    这时,经R1向C2充电,C2的电压达到12V时,稳压管VD导通,VS1也被触发而导通,C2上的电荷通过自锁继电器K而释放,K的触点KH接接通,灯EL点亮。此后,C2上的电压逐渐降为零,VS1截止,灯EL熄灭。第二次操作时只要再次触摸M即可。
    制作时,R1用3W的炭膜电阻。VD用1W/12V的稳压管。氖管V用启辉电压60V的。触摸片M用直径25mm的压电片敲去陶瓷代替。其他元器件参照图示取值。
    元器件焊接无误后接上市电,触摸M,氖管V应能发光,同时继电器应吸合。如氖管不亮,可能是氖管损坏或火线与地线接反了,如V亮,但继电器不动作,可能是晶闸管或继电器损坏。
    正常工作后,找一只大小合适的塑料外壳将线路板固定在壳内并引出导线。同时在外壳的面板上将触摸片M用万能胶粘上。为了使电路工作可靠,电阻R3直接焊在触摸片上并在电阻上套一只热缩管,再用软导线焊到线路板上,这样触摸开关就做成了。实测开关时间不大于0.5S。
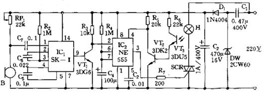
    12V延时关闭电路图(三)
    声控电路开关由声控电路、单稳延时电路和可控硅驱动电路组成。
    12V延时关闭电路
    电容降压整流电路为声控开关电路提供VDD=6V直流电压。IC1采用专门的声控集成电路SK-Ⅰ,该集成电路内含双稳态触发器和三极放大器。
    平时,IC1的输出端9脚呈低电平;而当拾音器B收到击掌声等音响信号时,IC1内的双稳态翻转,9脚转呈高电平,VT1饱和导通,由于IC2(555)的2脚触发电平小于1/3VDD,则555置位,3脚呈高电平,SCR触发导通,灯亮。
    555和R4、C4等组成单稳定时电路,定时时间即单稳态的暂稳时间TD=1.1R4C4,图示参数约为2分钟。以上是入夜或无光照时,IC2才会翻转,因为555的复位端4脚受控于VT2的导通或截止。
    白天因有光照,光敏三极管3DU5呈低阻,VT2饱和导通,555的4脚呈低电平(小于0.7V),555处于强制复位状态,IC2对外来触发信号无反应;天黑后,3DU5呈高阻,VT2截止,555的4脚为高电位,处于待触发状态。
    若要加长灯亮的时间,可通过加大R4C4的充电时间常数来实现。
    12V延时关闭电路图(四)
    12V简单延时电路图
    12V延时关闭电路
    12V延时关闭电路图(五)
    图中为触摸延时开关实验电路。它由整流二极管VD1~VD4组成全波桥式整流电路,作为集成电路工作电源,四2输入端与非门4011、单向晶闸管VS1等组成触摸开关电路。
    全波桥式整流电路输出高达200V脉动直流电,经过电阻器R1、R2分压,并通过电容器C1滤波,输出约13V的直流电,作为IC工作电源。在照明灯EL亮时,4011稳态工作总电流不到20μA,灯熄灭时401l电流(用50μA量程)几乎无法测出,足见CMOS集成电路的低功耗。
    此外,在照明灯EL点亮时,R2分压降至2V,4011仍能工作,这就是选用CMOS数字集成电路的原因。
    12V延时关闭电路
    当用手触摸金属片A端时,通过降压电阻器R3、R4将感应交流电信号加在IC—1输入端,在交流电正半周时,IC-1的l、2脚为高电平,其输出端下跌为低电平,与之相连IC-2输出端4脚上升为高电平,通过开关二极管VD5向定时电容器C2充电,使得IC-3输入端上升到高电平,其输出端10脚为低电平,IC-4输出端11脚为高电平,通过电阻器R7加在单向晶闸管控制电极G上,触发VS1导通,负载照明灯EL点亮。
    当C2充电电荷通过定时电阻器R6逐渐放电,使电压下降到低于CMOS门开启电压时,IC-3输出端上升为高电平,IC-4输出端为低电平,单向晶闸管阻断,EL熄灭。当R6为1MΩ、C2为10μF时,触摸开关控制延时约17s,C2换成22μF时,延时增加一倍,C2为47μF延时已绰绰有余。
    在触摸开关电路中,R5为下拉电阻器,尽管其电阻值为1MΩ,但与非门IC-1输入端为低电平,说明CMOS数字集成电路输入阻抗非常高。四2输入端与非门4011剩余的输入端不能悬空,采用并接方式,当作非门使用。IC也可选用四2输入端或非门4001。
    〈烜芯微/XXW〉专业制造二极管,三极管,MOS管,桥堆等,20年,工厂直销省20%,上万家电路电器生产企业选用,专业的工程师帮您稳定好每一批产品,如果您有遇到什么需要帮助解决的,可以直接联系下方的联系号码或加QQ/微信,由我们的销售经理给您精准的报价以及产品介绍
     
    联系号码:18923864027(同微信)
    QQ:709211280

    相关阅读
    79991cm德彩网 美彩国际7709 佰富彩采购大厅-欢迎您 名贯彩票-大发精准计划 88爱彩 - 欢迎您 美彩国际 - 欢迎您 德彩网 - 欢迎您 79991cm德彩网