极速快3

您好!欢迎光临极速快3品牌官网!

深圳市极速快3有限公司

ShenZhen XuanXinWei Technoligy Co.,Ltd
二极管、三极管、MOS管、桥堆

全国服务热线:18923864027

  • 热门关键词:
  • 桥堆
  • 场效应管
  • 三极管
  • 二极管
  • MOS管搭建反相器,传输门,与非门图文介绍
    • 发布时间:2023-06-05 21:16:16
    • 来源:
    • 阅读次数:
    MOS管搭建反相器,传输门,与非门图文介绍
    MOS管搭建反相器
    下图为反相器的结构示意图,由一个PMOS和一个NMOS拼接而成
    当v=1时,T1截止,T2导通,vo=0;
    当v=0时,T1导通,T2截止,vo=1;
    MOS管 反相器 传输门 与非门
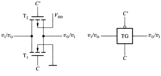
    MOS管搭建传输门
    利用PMOS和NMOS的互补性可以拼接而成CMOS传输门
    当C=1时,传输门开启,输出端=输入端
    MOS管 反相器 传输门 与非门
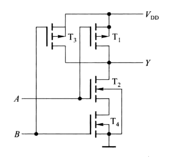
    MOS管搭建与非门
    如图为CMOS搭建的与非门结构,由两个并联的PMOS和两个串联的NMOS构成
    MOS管 反相器 传输门 与非门
    当A=B=1时,T2和T4导通,Y=0;
    当A=B=0时,T3和T1导通,Y=1;
    当A=1,B=0时,T3导通,T2导通,但T4截止,Y=1;
    当A=0,B=1时,T1导通,T4导通,但T2截止,Y=1;
    对应关系为:
    Y =A·B
    〈烜芯微/XXW〉专业制造二极管,三极管,MOS管,桥堆等,20年,工厂直销省20%,上万家电路电器生产企业选用,专业的工程师帮您稳定好每一批产品,如果您有遇到什么需要帮助解决的,可以直接联系下方的联系号码或加QQ/微信,由我们的销售经理给您精准的报价以及产品介绍
     
    联系号码:18923864027(同微信)
    QQ:709211280

    相关阅读
    79991cm德彩网 美彩国际7709 佰富彩采购大厅-欢迎您 名贯彩票-大发精准计划 88爱彩 - 欢迎您 美彩国际 - 欢迎您 德彩网 - 欢迎您 79991cm德彩网