逻辑开关的行为参数
不管给定项目使用什么逻辑(和模拟)电平,都会有不同的阈值来清楚地判定设备的饱和或关断。换句话说,这些值精确地定义了逻辑电平在高或低时的操作。
通常,在高低电平之间需要一个过渡区域,以确保两电平之间的过渡不会太突然。如图1所示,该区域被定义为“非法”或“不确定”区域。

图1:通用MOSFET的逻辑电平
●VGS(th)(min)是MOSFET关断的栅极电压值。
●VGS(th)(max)是MOSFET导通的栅极电压值。
通常,最小栅极电压(对于5V正逻辑)在0.5V至1V之间。那些高于最大阈值的栅极电压会导通MOSFET。在最小栅极电压的最高点和最大栅极电压的最低点之间的电压可能让MOSFET或导通或关断。
因此必须避免达到些电压值,它们表示着MOSFET处在不确定区域,并且无法预测MOSFET的性能。因此,有必要在设计新系统的逻辑之前研究每个器件的栅极工作状况。
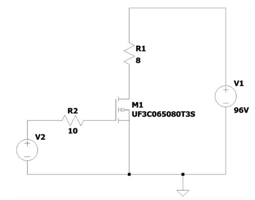
在图2中,您可以看到一个经典的电路图,该图提供了一个用96 V电压供电的8Ω负载。在这种情况下,MOSFET用作电子开关,并且可以通过合适的电源驱动 “栅极”来激活。对于UnitedSiC UF3C065080T3S,能够提供给“栅极”的电压范围为–25 V至25V。

图2:电子开关的通用框图
现在,观察负载R1上流过的电流,并根据栅极电压,看看MOSFET的导通如何工作。如图3所示的相对图形中,“栅极”电压在–25 V至5.8 V之间时,该元件保持关断状态(开关断开);在6.4 V至25 V,MOSFET表现为一个闭合开关。

图3:通过改变MOSFET的“栅极”电压, MOSFET的工作区域相应发生改变。
栅极电压在5.8 V至6.4 V之间(等效偏移为600 mV),该MOSFET实际上在线性区域内工作。如图4的SiC功率图所示,这个线性区域必须要避免,因为元件在该区间内工作会产生大量的热能。
实际上,M1器件的平均功率(红色曲线)的耗散如下:
●关断期间:0 W
●饱和期间:12.5 W
●在不确定期间和线性区内:133.75 W,峰值为288 W
电路的效率很大程度上也取决于这一方面。

图4:必须避免在MOSFET“栅极”上施加不确定的电压。否则,其耗散将非常高。
RDS(ON)参数
RDS(ON) 表示“导通状态下漏极(drain)和源极(source)之间的电阻”。 MOSFET通常是作为功率晶体管的一个更好替代选择,用于大电流开关应用。
如果RDS(ON) 较低,则根据欧姆定律,意味着MOSFET损失的能量更少,从而提高了能源效率,并产生更少的热量。因此,设计人员应选择具有尽可能低的RDS(ON) 值的元件模型。
在我们的示例中,当MOSFET导通时,可以使用以下公式简单计算RDS(ON) :
RDS(ON) = V(Drain) / I(Drain)
从而得到:
RDS(ON) = 1.00574/11.87428
根据元件的官方数据手册得出其返回值等于0.084Ω(84mΩ)。
输入电容(Ciss)和输出电容(Coss)参数
MOSFET主体上的“栅极”、氧化层及其相关连接,实际上就像一个小电容器。一旦“栅极”接上电压,此虚拟电容器就会开始充电。充电需要时间,因此接通会有延迟。设计人员应选择拥有尽可能低的输入电容的MOSFET,以避免长时间的延迟。
如果把MOSFET直接连接到微控制器(MCU)的输出引脚,则其“栅极”应通过一个外部电阻器连接,以防止产生不良结果。对于所使用的SiC模型,其电容参数如下:
输入电容(Ciss):当 VDS = 100 V, VGS= 0 V, F = 100 kHz时, — 1,500 pF
输出电容(Coss):当 VDS = 100 V, VGS= 0 V,F = 100 kHz 时,— 104 pF
与开关速度相关的参数
MOSFET特别适用于快速开关应用。频率越高,变压器必须越小,但是传输的噪声会增加。在任意情况下,影响元件开关速度的一些基本参数如下:
●接通延迟时间(tdon):25 ns
●上升时间(tr):14 ns
●关断延迟时间(tdoff):54 ns
●下降时间(tf):11 ns
图5中的曲线图显示了在两种频率下,开关MOSFET的两种不同特性。上图以1 MHz的开关频率为参考,分别显示了负载上的电流信号,栅极上的电压和脉宽调制(PWM)发生器的电压。如所见,该元件在此频率下的表现非常好。
下图改为频率为10 MHz的方波信号。值得注意的是所有信号都高度失真,而实际上,MOSFET始终处于导通状态。

图5:MOSFET在不同开关速度下的不同特性
〈烜芯微/XXW〉专业制造二极管,三极管,MOS管,桥堆等,20年,工厂直销省20%,上万家电路电器生产企业选用,专业的工程师帮您稳定好每一批产品,如果您有遇到什么需要帮助解决的,可以直接联系下方的联系号码或加QQ/微信,由我们的销售经理给您精准的报价以及产品介绍
联系号码:18923864027(同微信)
QQ:709211280

