极速快3

您好!欢迎光临极速快3品牌官网!

深圳市极速快3有限公司

ShenZhen XuanXinWei Technoligy Co.,Ltd
二极管、三极管、MOS管、桥堆

全国服务热线:18923864027

  • 热门关键词:
  • 桥堆
  • 场效应管
  • 三极管
  • 二极管
  • NMOS管,PMOS防止电源反接电路介绍
    • 发布时间:2023-06-15 17:13:04
    • 来源:
    • 阅读次数:
    NMOS管,PMOS防止电源反接电路介绍
    MOS管防反接
    电源反接,会给电路造成损坏,不过,电源反接是不可避兔的。所以就需要给电路中加入保护电路,达到即使接反电源,也不会损坏的目的。
    MOS管防反接,好处就是压降小,小到几乎可以忽略不计。现在的MOS管可以做到几个毫欧的内阻, 假设是6.5毫欧,通过的电流为1A (这个电流已经很大了) ,在它上面的压降只有6.5毫伏。
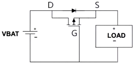
    NMOS管防止电源反接电路:
    NMOS PMOS 电源反接
    正确连接时: 刚上电, MOS管的寄生二极管导通,所以S的电位大概就是0.6V ,而G极的电位,是VBAT,VBAT-0.6V大于UGS的阀值开启电压,MOS管的DS就会导通,由于内阻很小,所以就把寄生二_极管短路了,压降几乎为0。
    电源接反时: UGS=0,MOS管不会导通,和负载的回路就是断的,从而保证电路安全。
    PMOS管防止电源反接电路:
    NMOS PMOS 电源反接
    正确连接时: 刚上电, MOS管的寄生二极管导通,电源与负载形成回路,所以S极电位就是VBAT-0.6V ,而G极电位是0V,PMOS管导通,从D流向S的电流把二极管短路。
    电源接反时: G极是高电平, PMOS管不导通。保护电路安全。
    连接技巧
    NMOS管DS串到负极,PMOS管DS串到正极,让寄生二极管方向朝向正确连接的电流方向。
    感觉DS流向是“反”的?
    仔细的朋友会发现,防反接电路中,DS的电流流向,和我们平时使用的电流方向是反的。
    为什么要接成反的?
    利用寄生二极管的导通作用,在刚上电时,使得UGS满足阀值要求。
    为什么可以接成反的?
    如果是三极管,NPN的电流方向只能是C到E , PNP的电流方向只能是E到C。不过, MOS管的D和S是可以互换的。这也是三极管和MOS管的区别之一。
    上面是示意图,实际应用时, G极前面要加个电阻。
    〈烜芯微/XXW〉专业制造二极管,三极管,MOS管,桥堆等,20年,工厂直销省20%,上万家电路电器生产企业选用,专业的工程师帮您稳定好每一批产品,如果您有遇到什么需要帮助解决的,可以直接联系下方的联系号码或加QQ/微信,由我们的销售经理给您精准的报价以及产品介绍
     
    联系号码:18923864027(同微信)
    QQ:709211280

    相关阅读
    79991cm德彩网 美彩国际7709 佰富彩采购大厅-欢迎您 名贯彩票-大发精准计划 88爱彩 - 欢迎您 美彩国际 - 欢迎您 德彩网 - 欢迎您 79991cm德彩网