MOS管开关电路实例1
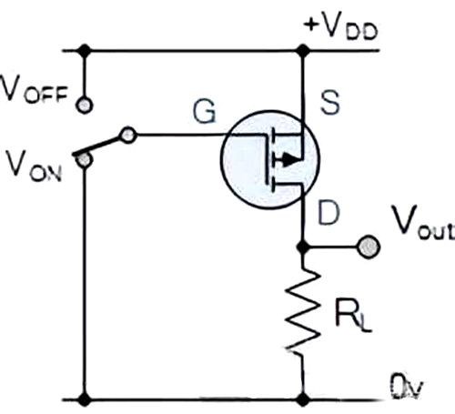
在下图所示的电路中,增强型 N 沟道mos管用于切换简单的灯“ON”和“OFF”(也可以是 LED)。
栅极输入电压VGS被带到适当的正电压电平以打开器件,因此灯负载要么“打开”,(V GS = +ve),要么处于将器件“关闭”的零电压电平,(V GS = 0V)。
如果灯的电阻负载要由电感负载(如线圈、螺线管或继电器)代替,则需要与负载并联一个“续流二极管”,以保护mos管免受任何自生反电动势的影响。

上面显示了一个非常简单的电路,用于切换电阻负载,例如灯或 LED。但是,当使用功率mos管切换感性或容性负载时,需要某种形式的保护来防止mos管器件受损。驱动感性负载与驱动容性负载的效果相反。
例如,没有电荷的电容是短路的,导致高“涌入”电流,当我们从感性负载上移除电压时,随着磁场崩溃,我们会产生很大的反向电压,从而导致感应绕组中的感应反电动势。
P沟道mos管开关电路实例
在上图我们将 N 沟道 mos管视为开关,mos管放置在负载和地之间。这也允许 mos管的栅极驱动或开关信号以地为参考(低侧开关)。但在某些应用中,如果负载直接接地,我们需要使用 P 沟道增强型 mos管。如下图所示。

P沟道mos管开关电路
在这种情况下,mos管开关连接在负载和正 电源 轨(高端开关)之间,就像我们使用 PNP 晶体管一样。
在 P 沟道器件中,漏极电流的常规流动方向为负方向,因此施加负栅源电压以将晶体管“导通”。
这是因为 P 沟道mos管是“倒置”的,其源极端子连接到正电源+V DD。然后,当开关变为低电平时,mos管变为“ON”,当开关变为高电平时,mos管变为“OFF”。
P 沟道增强型mos管开关的这种倒置连接允许我们将其与 N 沟道增强型 mos管串联连接,以产生互补或 CMOS 开关器件,如上图所示为跨双电源。
MOS管开关电路实例2

这是一个简单的电路,其中 N 沟道增强模式mos管将打开或关闭灯。为了将mos管用作开关,它必须工作在截止和线性(或三极管)区域。
假设设备最初是关闭的。栅极和源极之间的电压,即 V GS适当地设为正值(从技术上讲,V GS > V TH),MOSFET 进入线性区域并且开关导通。这使灯打开。
如果输入栅极电压为 0V(或技术上 < V TH),则mos管进入截止状态并关闭。这反过来会使灯关闭。
〈烜芯微/XXW〉专业制造二极管,三极管,MOS管,桥堆等,20年,工厂直销省20%,上万家电路电器生产企业选用,专业的工程师帮您稳定好每一批产品,如果您有遇到什么需要帮助解决的,可以直接联系下方的联系号码或加QQ/微信,由我们的销售经理给您精准的报价以及产品介绍
联系号码:18923864027(同微信)
QQ:709211280

