极速快3

您好!欢迎光临极速快3品牌官网!

深圳市极速快3有限公司

ShenZhen XuanXinWei Technoligy Co.,Ltd
二极管、三极管、MOS管、桥堆

全国服务热线:18923864027

  • 热门关键词:
  • 桥堆
  • 场效应管
  • 三极管
  • 二极管
  • 简单常用的电动车充电器电路图介绍
    • 发布时间:2024-05-30 21:12:42
    • 来源:
    • 阅读次数:
    简单常用的电动车充电器电路图介绍
    电动车充电器种类繁多,电路数不胜数,但都离不开两个主要部分:
    1.电源部分--电源部分一般由开关电源构成。
    2.充电控制部分--电动车使用的一般是硫酸蓄电池,任何电池都对充电电压以及充电电流敏感,所以需要充电控制。
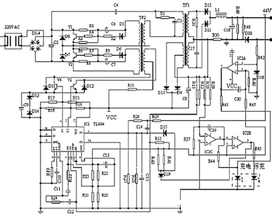
    电动车充电器电路图
    下文电路图是一个36V,14AH电池的充电器电路图
    电动车充电器电路图
    电动车充电器电路图二
    以3842驱动场效应管的单管开关电源,配合358双运放来实现三阶段充电方式。
    电动车充电器电路图
    电动车充电器电路图三(原边电路图)
    电动车充电器电路图
    电动车充电器电路图四
    电动车充电器电路图
    充电器的控制芯片一般是以TL494为核心,推动2只13007高压三极管。配合324( 4运算放大器 ),实现三阶段充电。
    〈烜芯微/XXW〉专业制造二极管,三极管,MOS管,桥堆等,20年,工厂直销省20%,上万家电路电器生产企业选用,专业的工程师帮您稳定好每一批产品,如果您有遇到什么需要帮助解决的,可以直接联系下方的联系号码或加QQ/微信,由我们的销售经理给您精准的报价以及产品介绍
     
    联系号码:18923864027(同微信)
    QQ:709211280

    相关阅读
    79991cm德彩网 美彩国际7709 佰富彩采购大厅-欢迎您 名贯彩票-大发精准计划 88爱彩 - 欢迎您 美彩国际 - 欢迎您 德彩网 - 欢迎您 79991cm德彩网