极速快3

您好!欢迎光临极速快3品牌官网!

深圳市极速快3有限公司

ShenZhen XuanXinWei Technoligy Co.,Ltd
二极管、三极管、MOS管、桥堆

全国服务热线:18923864027

  • 热门关键词:
  • 桥堆
  • 场效应管
  • 三极管
  • 二极管
  • n沟道mos管与p沟道mos管介绍
    • 发布时间:2024-06-28 15:42:36
    • 来源:
    • 阅读次数:
    n沟道mos管与p沟道mos管介绍
    金属-氧化物-半导体(Metal-Oxide-SemIConductor)结构的晶体管简称MOS晶体管,有P型MOS管和N型MOS管之分。MOS管构成的集成电路称为MOS集成电路,而PMOS管和NMOS管共同构成的互补型MOS集成电路即为CMOS集成电路。
    n沟道mos管和p沟道mos管结构
    mos管 n沟道 p沟道
    上图对比可知,对于P型MOSFET,其寄生体二极管的阳极与漏极相连,阴极与源极相连;而对于N型MOSFET,其寄生体二极管的阳极与源极相连,阴极与漏极相连。
    P型MOSFET和N型MOSFET的体二极管的阴阳极连接刚好相反。因此P型MOSFET和N型MOSFET,虽然从外观上无法区分,但是用万用表测试其寄生体二极管的阴阳极与漏源极的连接关系,便可区分开来。
    另外一种区分MOSFET是P型还是N型的方法是看开通该MOSFET,门极对源极是需要正电平还是负电平。
    对于N型MOSFET,若要将其开通,需要门极对源极(VGS)加一个正电压(该电压需要高于该MOSFET的门限电压),例如+10V。而对于P型MOSFET,如要将其开通,需要门极对源极(VGS)加一个负电压(该负电压需要低于该MOSFET的门限电压),例如-10V。
    MOS管的N沟道与P沟道之间的关系
    纯半导体的导电性能很差,但是可以通过加入一些特殊的杂质增强其导电能力。N型MOSFET会引入额外可移动的负电荷(电子),此时为N型(N沟道)参杂,在N型MOSFET中电子为多数载流子,空穴为少数载流子。P型MOSFET在半导体中产生带正电荷的空穴,此时为P型(P沟道)参杂,在P型MOSFET中空穴为多数载流子,电子为少数载流子。
    n沟道mos管和p沟道mos管工作原理
    仅含有一个P--N结的二极管工作过程,如下图所示,我们知道在二极管加上正向电压时(P端接正极,N端接负极),二极管导通,其PN结有电流通过,这是因为在P型半导体端为正电压时,N型半导体内的负电子被吸引而涌向加有正电压的P型半导体端,而P型半导体端内的正电子则朝N型半导体端运动,从而形成导通电流。
    同理,当二极管加上反向电压(P端接负极,N端接正极)时,这时在P型半导体端为负电压,正电子被聚集在P型半导体端,负电子则聚集在N型半导体端,电子不移动,其PN结没有电流通过,二极管截止。
    mos管 n沟道 p沟道
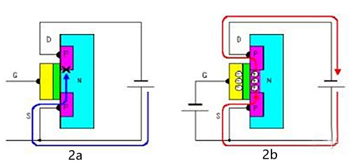
    对于N沟道场效应管(见图1),在栅极没有电压时,由前面分析可知,在源极与漏极之间不会有电流流过,此时场效应管处于截止状态(图1a),当有一个正电压加在N沟道的MOS场效应管栅极时(见图1b),
    由于电场的作用,此时N型半导体的源极和漏极的负电子被吸引出来涌向栅极,但由于氧化膜的阻挡,使得电子聚集在两个N沟道之间的P型半导体中(见图1b),
    从而形成电流,使源极和漏极导通,我们也可以想象为两个N型半导体之间为一条沟,栅极电压的建立相当于为它们之间搭建了一座桥梁,该桥的大小由栅压的大小决定。
    mos管 n沟道 p沟道
    图2给出了P沟道的MOS场效应管的工作过程,其工作原理类似。
    n沟道mos管和p沟道mos管区别
    1、从外形上看:
    p沟道的mos管比同规格的n沟道的要粗一些;
    2、从导电性能看:
    p沟道和n沟道相比,前者要比后者的电阻低一些(当然这只是一个方面)。
    3、从耐温性看:
    一般来说,相同规格下同等材质的情况下(如都是硅片),p沟道的耐高温能力要强于n型。
    4、从稳定性上比较:
    由于工艺的不同导致两者之间的差异较大;
    5、从价格上分析:
    由于制作工艺不同、原材料的不同以及成本等因素的影响使得两者的价格相差较大。
    〈烜芯微/XXW〉专业制造二极管,三极管,MOS管,桥堆等,20年,工厂直销省20%,上万家电路电器生产企业选用,专业的工程师帮您稳定好每一批产品,如果您有遇到什么需要帮助解决的,可以直接联系下方的联系号码或加QQ/微信,由我们的销售经理给您精准的报价以及产品介绍
     
    联系号码:18923864027(同微信)
    QQ:709211280

    相关阅读
    79991cm德彩网 美彩国际7709 佰富彩采购大厅-欢迎您 名贯彩票-大发精准计划 88爱彩 - 欢迎您 美彩国际 - 欢迎您 德彩网 - 欢迎您 79991cm德彩网