稳压管工作原理分析
稳压二极管(齐纳二极管)是一种硅材料制成的面接触型晶体二极管,简称稳压管;是一种直到临界反向击穿电压前都具有很高电阻的半导体器件。
稳压管在反向击穿时,在一定的电流范围内(或者说在一定功率损耗范围内),端电压几乎不变,表现出稳压特性,因而广泛应用于稳压电源与限幅电路之中。
稳压管工作原理
稳压管电路由限流电阻R1和稳压管D1组成。Ui是输入电压;Uo是输出电压,即稳压管两端的电压Vz(电路是并联)。本例电路既可以作为基准电压源,也可以单独作为输出电压固定、负载电流较小的稳压电路中使用,实用性较强。


稳压管工作原理分析:
当负载电阻不变,输入电压Ui增大(或者输入电压不变,负载电阻RL增加)时,输出电压Uo将上升,使稳压管D1的反向电压会略有增加,随之流过稳压管D1的电流增加,于是流过电阻R1的电流将增加,限流电阻R1上的压降将变大,使得Ui增量的大部分压降在R1上被消耗,从而使输出电压Uo基本维持不变。
反之,当负载电阻不变,输入电压Ui下降(或者输入电压不变,负载电阻RL减小)时,输出电压Uo将下降,使稳压管D1的反向电压也随之下降,流过稳压管D1的反向电流也略微下降,于是,流过电阻R1的电流将减少,限流电阻R1上的压降将变小,这样Uo的电压又会上升,这样稳定后,电压Uo还是基本维持不变。
稳压二极管伏安特性


当电压达到稳压值Uz时,曲线很陡,说明流过稳压二极管的电流在大小变化时,稳压二极管两端的电压大小基本不变,也就是说在一定电压范围内,随着流过稳压二极管的电流变化,稳压二极管两端电压大小基本保持不变,这就是稳压二极管的工作原理,它利用的是它的反向工作特性。
稳压管在电路中的作用:
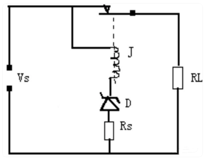
1、浪涌保护电路:稳压管在准确的电压下击穿,这就使得它可作为限制或保护之元件来使用,因为各种电压的稳压二极管都可以得到,故对于这种应用特别适宜。稳压二极管D是作为过压保护器件。只要电源电压VS超过二极管的稳压值D就导通,使继电器J吸合负载RL就与电源分开。
2、电视机里的过压保护电路:EC是电视机主供电压。当EC电压过高时,D导通,三极管BG导通,其集电极电位将由原来的高电平(5V)变为低电平,通过待机控制线的控制使电视机进入待机保护状态。
3、电弧抑制电路:在电感线圈上并联接入一只合适的稳压二极管(也可接入一只普通二极管原理一样)的话,当线圈在导通状态切断时,由于其电磁能释放所产生的高压就被二极管所吸收,所以当开关断开时,开关的电弧也就被消除了。这个应用电路在工业上用得比较多,如一些较大功率的电磁吸控制电路就用到它。
稳压管的应用电路
典型的串联型稳压电路


浪涌保护电路

〈烜芯微/XXW〉专业制造二极管,三极管,MOS管,桥堆等,20年,工厂直销省20%,上万家电路电器生产企业选用,专业的工程师帮您稳定好每一批产品,如果您有遇到什么需要帮助解决的,可以直接联系下方的联系号码或加QQ/微信,由我们的销售经理给您精准的报价以及产品介绍

〈烜芯微/XXW〉专业制造二极管,三极管,MOS管,桥堆等,20年,工厂直销省20%,上万家电路电器生产企业选用,专业的工程师帮您稳定好每一批产品,如果您有遇到什么需要帮助解决的,可以直接联系下方的联系号码或加QQ/微信,由我们的销售经理给您精准的报价以及产品介绍
联系号码:18923864027(同微信)
QQ:709211280

