极速快3

您好!欢迎光临极速快3品牌官网!

深圳市极速快3有限公司

ShenZhen XuanXinWei Technoligy Co.,Ltd
二极管、三极管、MOS管、桥堆

全国服务热线:18923864027

  • 热门关键词:
  • 桥堆
  • 场效应管
  • 三极管
  • 二极管
  • MOSFET栅极前面为什么要加一个100Ω电阻
    • 发布时间:2024-12-24 18:34:01
    • 来源:
    • 阅读次数:
    MOSFET栅极前面为什么要加一个100Ω电阻
    可以得出,阻值过大过小都是对MOSFET驱动电路产生一定不利影响的,而如何确定出合适的阻值,一般是根据管子的电流容量和电压额定值以及开关频率,来选取Rg的数值。
    我们经常会听到在MOSFET栅极前增加一个电阻。那么,为什么要增加这个电阻,进一步地来讲,为什么要增加一个100Ω电阻?
    在MOSFET的栅极前增加一个电阻?
    MOS管是电压型控制器件,一般情况下MOS管的导通,只需要控制栅极的电压超过其开启阈值电压即可,并不需要栅极电流。
    所以从本质上来讲,MOS管工作室栅极上并不需要串联任何电阻。
    还有一种情况,也就是MOS管栅极存在的寄生电容。一般为了加快MOS管导通和截止的速度,降低其导通和截止过程中的产生损耗,栅极上的等效电阻是应该越小越好,最好为0。
    MOSFET栅极 100Ω电阻
    但我们却经常会看到关于MOSFET的电路中,栅极前串联着一个电阻。如下图:
    MOSFET栅极 100Ω电阻
    那为什么要串联这个电阻呢?
    在开关状态下,通常解释就是为了防止MOSFET在开关过程中会产生震荡波形,因为这会增加MOSFET开关损耗,不仅如此,如果震荡过大,还会引起MOS管被击穿。
    再进一步讲,为什么电阻是100Ω呢?
    我在网上看到一个仿真试验,实验在MOSFET电路中的栅极串联电阻R3,分别对它取1欧姆,10欧姆,50欧姆进行仿真实验:
    当R3为1欧姆时,输出电压Vds上出现高频震荡信号。
    当R3为10欧姆时,输出电压Vds的高频震荡信号明显被衰减。
    3. 当R3为50欧姆时,输出电压Vds的上升沿变得缓慢。其栅极电压上,因为漏极-栅极之间的米勒电容效应引发了台阶。此时对应的MOS管的功耗大大增加。
    简单来说,如果它的取值小了,就会引起输出振铃,如果大了就会增加MOS管的开关过渡时间,从而增加其功耗。
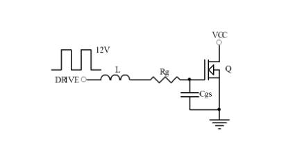
    是不是看到这里,还是不太清楚选值为100Ω的作用在哪里?我们以上面提到的开关震荡再进深一步探讨。这是一张MOSFET的驱动电路图:
    MOSFET栅极 100Ω电阻
    功率MOS管的驱动电路中会分布各种电感,例如图中的L,它们与MOSFET的Cgd, Cge会形成谐振电路:对开关驱动信号中的高频谐波分量产生谐振,进而引起功率管输出电压的波动。
    MOS管的栅极串联电阻Rg,会增大MOS管驱动回路中的损耗,然后降低谐振回路的Q值,使得电感与电容谐振现象快速衰减。
    在这里我们可以理解到,MOS管栅极上所串联的电阻,是根据具体的MOS管和电路分布杂散电感来确定。
    这跟我们上面提到阻值影响相关的,下面会详细提到:
    MOSFET栅极 100Ω电阻
    如上图,当Rg值比较小时,驱动电压上冲会比较高,震荡较多,L(电感)越大也越明显,此时会对MOSFET及其他器件性能产生一定影响。
    此外,驱动电流的峰值也比较大,但是一般情况下,IC的驱动电流输出能力是有一定限制的。
    当阻值过大时,实际驱动电流达到IC输出的最大值时,IC输出就相当于一个恒流源,会对Cgs线性充电,驱动电压波形的上升率会变慢。
    而驱动波形上升比较慢的话,如果MOSFET有较大电流通过时就有不利影响。
    可以得出,阻值过大过小都是对MOSFET驱动电路产生一定不利影响的,#优质作者榜#而如何确定出合适的阻值,一般是根据管子的电流容量和电压额定值以及开关频率,来选取Rg的数值。
    还记得上面那句话吗?
    MOS管栅极上所串联的电阻,是根据具体的MOS管和电路分布杂散电感来确定。
    因此它不是一个固定值,但100Ω却是个常用值,这是由于我们日常使用的驱动电路应用中常得出的“范围值”。然而,具体应用需要根据实验检测来确定。
    〈烜芯微/XXW〉专业制造二极管,三极管,MOS管,桥堆等,20年,工厂直销省20%,上万家电路电器生产企业选用,专业的工程师帮您稳定好每一批产品,如果您有遇到什么需要帮助解决的,可以直接联系下方的联系号码或加QQ/微信,由我们的销售经理给您精准的报价以及产品介绍
     
    联系号码:18923864027(同微信)
     
    QQ:709211280

    相关阅读
    79991cm德彩网 美彩国际7709 佰富彩采购大厅-欢迎您 名贯彩票-大发精准计划 88爱彩 - 欢迎您 美彩国际 - 欢迎您 德彩网 - 欢迎您 79991cm德彩网