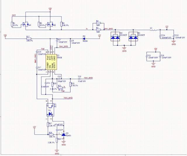
问题一、双N沟道mos buck电路上电烧mos管该如何修改?

48V转13V非隔离buck直流电路。现在设定好25A负载后上电测试会出现板子上其中一个mos烧坏的现象,把坏的mos换了再测就不会再出现问题。
我用示波器测良品mos DS电压最高是64V,低于手册标注的最高80V,栅极开启电压15V,低于手册标注的最高25V,mos开关的时间(上升沿和下降沿)够短,产品有限流保护,30A时电压会被拉很低9-10V。
请问该怎么去测量和分析
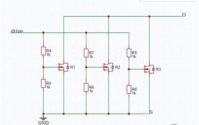
问题二、mos管并联的驱动电阻如何配置,开启电压如何确定?

mos管并联可以增大电流能力,并联MOS管需要注意mos管的哪些特性,比如开通关断延迟时间,开启电压?
上面的连接正确吗?
上期解答:
上期解答一、只有开关器件截止的时候会,因为存在这个漏感,一旦截止就会产生反电动势,MOS这样的尤其容易被击穿。如图的漏感,简单理解就是,在导通时的感应电压是上正下负,而且此时的MOS管导通,所以这个上正下负的漏感电压就不会对MOS造成损坏。
上期解答二、MOS管导通后,反向时主要是流过沟道,因为体二极管本身有比较大的二极管压降,约为0.7V,沟道相当于把体二极管给短路了。
〈烜芯微/XXW〉专业制造二极管,三极管,MOS管,桥堆等,20年,工厂直销省20%,上万家电路电器生产企业选用,专业的工程师帮您稳定好每一批产品,如果您有遇到什么需要帮助解决的,可以直接联系下方的联系号码或加QQ/微信,由我们的销售经理给您精准的报价以及产品介绍
联系号码:18923864027(同微信)
QQ:709211280

