降压转换器(降压型开关稳压器)的工作模型


开关电源可以我们可以看成是一个自动控制系统,里面电流流动可以看成是水流的流动。输入电容我们可以把它看成一个高容量的大水库,而输出电容则相当于一个低容量的小水箱。我们把一小杯一小杯的水从大水池传送到小水
池,通过控制传送的间隔时间和水杯的水量来实现小水池里面固定的水量,这就相当于开关电源通过控制电流的流动来稳定输出电压。
当输出端的电压减小时,开关电源便会增加电流的流动,相当于增加水杯中的水量,来保持输出电压的稳定。相反,当发现输出的电压升高时,开关电源会减小电流的流动,相当于减小水杯中的水量,来保持输出电压的稳定。
因此,通过调节电流的流动多少,开关电源以此来确保输出电压的稳定,即便在负载变化的情况下也是正常输出。这种自动控制系统的工作原理就相当于于一个闭环控制系统,其中输出电压被反馈回控制系统,以方便与设定值进行比较和调整。
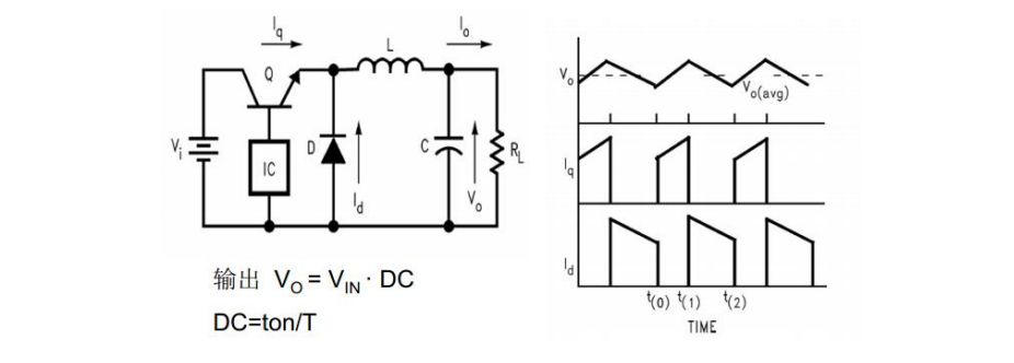
降压转换器基础(电流和电压波形)


如图,当开关Q导通时,能量从Q的发射极即输入端向输出端传递,电流以斜线形式增大,类似于模型中水库的水传递到小水池。当发现小水池的水位过高时,开关Q便会断开,这时电感L、负载Rl和二极管D形成自然的续流回路,电流开始线性下降。当发现小水池的水位降低到一定程度的时侯,开关Q重新导通。开关Q通过这种高频的开通和关断操作,开关电源便形成了一个稳定的输出电压。
降压转换器拓扑


上面图展示了一个电路结构,通过两个电阻之间的分压来采样输出电压Vout,然后通过比较器与基准电压去进行比较。如果输出电压低于基准电压的话,则MOS管导通;如果输出电压高于基准电压,则MOS管断开。进而通过这种高频的开通和关断操作,开关电源便形成了一个稳定的输出电压。
下面的图便是一个工作中常用的降压芯片,型号为LM22676,它的宽输入电压范围:4.5V 至 42V,可以稳定的输出5V3A供负载使用。此芯片中FB引脚便是一个采样反馈引脚,SW便是输出控制引脚,以此来达到一个动态平衡的输出。大家会疑问这个电路中,D1使用的是一个快恢复或者肖特基二极管。为什么要使用这种肖特基二极管呢?因为普通的二极管的寄生参数和漏感原因,会导致在SW发信号,芯片内部MOS管将要开通时产生一个高压震荡,这个震荡极有可能会导致芯片的SW引脚遭受高压损坏,而且开关损耗也会非常大,导致效率非常低。因此,我们通常会使用快恢复或肖特基二极管来应对这些问题。
〈烜芯微/XXW〉专业制造二极管,三极管,MOS管,桥堆等,20年,工厂直销省20%,上万家电路电器生产企业选用,专业的工程师帮您稳定好每一批产品,如果您有遇到什么需要帮助解决的,可以直接联系下方的联系号码或加QQ/微信,由我们的销售经理给您精准的报价以及产品介绍
〈烜芯微/XXW〉专业制造二极管,三极管,MOS管,桥堆等,20年,工厂直销省20%,上万家电路电器生产企业选用,专业的工程师帮您稳定好每一批产品,如果您有遇到什么需要帮助解决的,可以直接联系下方的联系号码或加QQ/微信,由我们的销售经理给您精准的报价以及产品介绍
联系号码:18923864027(同微信)
QQ:709211280

