在便携电子领域,设计师基于多种因素(尺寸、成本和性能),利用他们的专业知识和最佳判断来选择器件。但这些因素通常需要进行权衡,设计师必须依据所需的最终产品谨慎选择元件。几乎与其它行业一样,便携市场,特别是移动电话市场,通常会同时提供高端(多功能)和低端(廉价)产品。


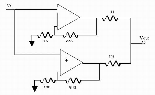
图1:运用多个运算放大器减少输出噪音。
移动电话主板包括不同的元件,如运算放大器、音频放大器及前置放大器、数据转换器和ASIC等。选择运算放大器之前,设计师必须考虑封装选项,以及更小的封装是否会使性能降低。尽管在便携产品领域小型封装很受欢迎,但小型封装可能会给设计师带来麻烦和问题。采用塑料封装形式的运算放大器,譬如SC70,往往不能达到与SOIC或MSOP封装对应产品相同的性能。微型芯片级封装(CSP)(这实质上是裸片),暴露于光线下,输入偏流可能发生数百量级的偏移。该封装形式也容易在组装期间发生破裂。
哪些参数最重要?
在电池供电的应用领域—特别是PDA和移动电话,由于电池电压会随着干扰而下降,因此应选择PSRR性能好(~80dB)的运算放大器。此外,要注意高增益配置,这是因为耦合到运放中的噪声将导致噪声电平升高。电阻器的选择也十分关键,更大的阻值会产生更高的噪声。设计师可以利用4?估算约翰逊噪声(Johnson noise)或电阻噪声,这里R的单位是K欧姆,因此100K欧姆电阻产生大约40nV噪声!
如果运用多个运算放大器,减少噪声的一个方法是采用图1所示的方案。该方法可以按因子减少输出噪声,这里n是使用的放大器数量。对于LMV651而言,输出噪声将减少到大约12nV/。此外设计师必须考虑限制带宽以使噪声最小:设计师可以将一个小电容与反馈电阻并联使用,借此降低噪声。
运算放大器的选择也取决于其它的器件。设计师面对的一个普遍挑战是为模数转换器(ADC)选择合适的运算放大器。尽管市场上有许多类型的数据转换器,但是运算放大器和模数转换器之间的匹配规则却不一样,设计师在做出选择之前必须认真考虑某些准则。


图2:在运算放大器输出端采用简单的低通滤波器。
大致浏览两种器件的数据手册将提供有用的信息,但这还不够。首先,挑选供电电压相同的运算放大器和模数转换器。然后选择THD+N小的运算放大器。如果不能查找到失真数据,就查看输出阻抗:输出阻抗小的运算放大器通常意味着更小的THD。速度是另外一个必须考虑的参数,尽管更快的运算放大器速度用起来很舒服,但必须考虑一些折衷因素,譬如更高的功率和偶尔的不稳定。
根据选择的ADC,设计师应选择至少为ADC取样率50倍速度的放大器。转换速率也可能是一个限制因素,设计师可以根据2?fVp进行计算,这里f是输入信号频率,Vp是最大输出摆幅。例如,频率为400kHz的100mV输入信号(增益为10)要求放大器的转换速率至少为2.5V/μs。
一旦确定了这些基本参数,设计师必须考虑稳定时间,该参数可能会产生误导。大多数制造厂商规定运算放大器的稳定时间在特定输入电压的0.1%或0.01%范围内。如果设计要求更高的精度,例如16位,那么就需要满量程0.0015%范围的参数。解决该问题的一个方法是利用下面的公式,基于模数转换器的精度来估计运算放大器的稳定时间:


这里,N是位数,f是放大器的开环带宽。
例如增益为10的运算放大器,如LMV651,精确度为12位时,稳定时间大约为1.4μs;精度为16位时,稳定时间是1.65μs。该公式只是一个近似算式,没有考虑到杂散电容、主板电感或模数转换器的输入电容,这些因素都将影响稳定时间。
做出最终的选择之前,最重要的的指标之一是运算放大器的噪声,噪声较高的放大器会降低模数转换器的精度,给系统带来显著误差。开始计算电路总输出噪声之前(这可能是一项十分冗长乏味的工作),最好先估计一下。这样设计师就知道是否应继续使用所选的放大器。该估计涉及到运算放大器在相关带宽上的综合电压噪声和运放配置的增益。我们可以将该公式表述为:


这里,NG是噪声增益,en是运算放大器的电压噪声,BW是闭环带宽。
在图2的电路中,在输出端采用简单的低通滤波器。在该例中,输出噪声是在该滤波器带宽(按1/2πRC计算)下的综合噪声。如果采用二阶滤波器,带宽要乘以系数1.05。
利用上述公式和LMV651电压噪声密度(17nV/),图2电路在100kHz带宽(滤波器带宽)下的总输出RMS噪声是53.7V。一旦估算出总输出噪声,设计师可以利用下面的公式计算运算放大器的信噪比(SNR):


这里,VFS是满量程电压范围,Eout是上文计算的运算放大器噪声。例如,2.5V信号产生的信噪比是86.4dB。
然后,设计师应根据下面的公式计算放大器和模数转换器的总SNR:


ADC121S021的SNR是72.3dB,当ADC121S021与LMV651搭配时,总SNR是72.1dB。忽略谐波,设计师可以将该SNR转换为等效的比特数:ENOB=(SNR-1.76)/6.02,然后根据等价比特数确定只损失了大约0.3dB,这相当于0.03%总精度误差。
由于噪声是特定带宽下的综合噪声,显然噪声也与带宽成比例。换言之,缩减带宽将减少噪声;扩展带宽将增加噪声。如果决定选择更高带宽的滤波器,设计师应考虑选择更低噪声的放大器。例如,图2电路中的10MHz滤波器产生不足71dB的总SNR,导致0.5比特损失。但将LMV791(5.8nV/)与相同的滤波器搭配使用时,SNR提高到72dB以上。设计师只要简单的选择更低噪声的运算放大器就可以提高系统的精度。但必须考虑与此相关的各种折衷因素,例如功耗和封装尺寸。
待考虑的其它规格指标
至此,我们讨论了为设计选择器件的基本原则和规则,但还有其它的一些因素有待考虑。例如,对于要求更高精度的应用,DC指标(譬如输入偏移电压和漂移)可能非常重要。
烜芯微专业制造二极管,三极管,MOS管,桥堆等20年,工厂直销省20%,4000家电路电器生产企业选用,专业的工程师帮您稳定好每一批产品,如果您有遇到什么需要帮助解决的,可以点击右边的工程师,或者点击销售经理给您精准的报价以及产品介绍
烜芯微专业制造二极管,三极管,MOS管,桥堆等20年,工厂直销省20%,4000家电路电器生产企业选用,专业的工程师帮您稳定好每一批产品,如果您有遇到什么需要帮助解决的,可以点击右边的工程师,或者点击销售经理给您精准的报价以及产品介绍

