二极管是一种具有两个电极的器件,它容许电流从一个方向流过,由于这个特点,在电路当中,二极管经常被用来当做反向阻断来使用。利用二极管的两种工作状态,能够形成限幅电路。限幅电路是指对电路中某一点信号幅度大小进行限制,如果信号没有达到规定的大小,那么限幅电路就不会工作。这一过程就称为二极管限幅电路。那么当限幅电路出现问题时,如何进行故障处理呢?
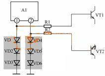
如图1所示是二极管限幅电路。在电路中,A1是集成电路(一种常用元器件),VT1和VT2是三极管(一种常用元器件),R1和R2是电阻器,VD1~VD6是二极管。


图1二极管限幅电路
电路分析思路说明
对电路中VD1和VD2作用分析的思路主要说明下列几点:
从电路中可以看出,VD1、VD2、VD3和VD4、VD5、VD6两组二极管的电路结构一样,这两组二极管在这一电路中所起的作用是相同的,所以只要分析其中一组二极管电路工作原理即可。
集成电路A1的①脚通过电阻R1与三极管VT1基极相连,显然R1是信号传输电阻,将①脚上输出信号通过R1加到VT1基极,由于在集成电路A1的①脚与三极管VT1基极之间没有隔直电容,根据这一电路结构可以判断,集成电路A1的①脚是输出信号引脚,而且输出直流和交流的复合信号。确定集成电路A1的①脚是信号输出引脚的目的是为了判断二极管VD1在电路中的具体作用。
集成电路的①脚输出的直流电压显然不是很高,没有高到让外接的二极管处于导通状态,理由是:如果集成电路A1的①脚输出的直流电压足够高,那么VD1、VD2和VD3导通,其导通后的内阻很小,这样会将集成电路A1的①脚输出的交流信号分流到地,对信号造成衰减,显然这一电路中不需要对信号进行这样的衰减,所以从这个角度分析得到的结论是:集成电路A1的①脚输出的直流电压,不会高到让VD1、VD2和VD3导通的程度。
从集成电路A1的①脚输出的是直流和交流叠加信号,通过电阻R1与三极管VT1基极,VT1是NPN型三极管,如果加到VT1基极的正半周交流信号幅度出现很大的现象,会使VT1的基极电压很大而有烧坏VT1的危险。加到VT1基极的交流信号负半周信号幅度很大时,对VT1没有烧坏的影响,因为VT1基极上负极性信号使VT1基极电流减小。
通过上述电路分析思路可以初步判断,电路中的VD1、VD2、VD3是限幅保护二极管电路,防止集成电路A1的①脚输出的交流信号正半周幅度太大而烧坏VT1.
从上述思路出发对VD1、VD2、VD3二极管电路进一步分析,分析如果符合逻辑,可以说明上述电路分析思路是正确的。
二极管限幅电路
分析各种限幅电路工作是有方法的,将信号的幅度分两种情况:
第一种情况,信号幅度比较小时的电路工作状态,即信号幅度没有大到让限幅电路动作的程度,这时限幅电路不工作。
第二种情况,信号幅度比较大时的电路工作状态,即信号幅度大到让限幅度电路动作的程度,这时限幅电路工作,将信号幅度进行限制。


图2集成电路A1的①脚上信号波形示意图
用画出信号波形的方法分析电路工作原理有时相当管用,用于分析限幅电路尤其有效,如图2所示是电路中集成电路A1的①脚上信号波形示意图。
图中,U1是集成电路A1的①脚输出信号中的直流电压,①脚输出信号中的交流电压是“骑”在这一直流电压上的。U2是限幅电压值。
结合上述信号波形来分析这个二极管限幅电路,当集成电路A1的①脚输出信号中的交流电压比较小时,交流信号的正半周加上直流输出电压U1,也没有达到VD1、VD2和VD3导通的程度,所以各二极管全部截止,对①脚输出的交流信号没有影响,交流信号通过R1加到VT1中。
假设集成电路A1的①脚输出的交流信号其正半周幅度在某期间很大,见图2中的信号波形,由于此时交流信号的正半周幅度,加上直流电压已超过二极管VD1、VD2和VD3正向导通的电压值,如果每只二极管的导通电压是0.7V,那么3只二极管的导通电压是2.1V.由于3只二极管导通后的管压降基本不变,即集成电路A1的①脚最大为2.1V,所以交流信号正半周超出部分被去掉(限制),其超出部分信号其实降在了集成电路A1的①脚内电路中的电阻上(图2中未画出)。
当集成电路A1的①脚直流和交流输出信号的幅度小于2.1V时,这一电压又不能使3只二极管导通,这样3只二极管再度从导通转入截止状态,对信号没有限幅作用。
电路分析细节说明
对于这一电路的具体分析细节说明如下。
集成电路A1的①脚输出的负半周大幅度信号不会造成VT1过电流,因为负半周信号只会使NPN型三极管的基极电压下降,基极电流减小,所以无须加入对于负半周的限幅电路。
上面介绍的是单向限幅电路,这种限幅电路只能对信号的正半周或负半周大信号部分进行限幅,对另一半周信号不限幅。另一种是双向限幅电路,它能同时对正、负半周信号进行限幅。
引起信号幅度异常增大的原因是多种多样的,例如偶然的因素(如电源电压的波动)导致信号幅度在某瞬间增大许多,外界的大幅度干扰脉冲窜入电路也是引起信号某瞬间异常增大的常见原因。
3只二极管VD1、VD2和VD3导通之后,集成电路A1的①脚上的直流和交流电压之和是2.1V,这一电压通过电阻R1加到VT1基极,这也是VT1最高的基极电压,这时的基极电流也是VT1最大的基极电流。
由于集成电路A1的①脚和②脚外电路一样,所以其外电路中的限幅保护电路工作原理一样,分析电路时只要分析一个电路即可。
根据串联电路特性可知,串联电路中的电流处处相等,这样可以知道VD1、VD2和VD3三只串联二极管导通时同时导通,否则同时截止,绝不会出现串联电路中的某只二极管导通而某几只二极管截止的现象。
故障检测方法和电路故障分析
对这一电路中的二极管故障检测,主要采用万用表欧姆档在路测量其正向和反向电阻大小,因为这一电路中的二极管不工作在直流电路中,所以采用测量二极管两端直流电压降的方法不合适。
这一电路中二极管出现故障的可能性较小,因为它们工作在小信号状态下。如果电路中有一只二极管出现开路故障时,电路就没有限幅作用,将会影响后级电路的正常工作。
烜芯微专业制造二极管,三极管,MOS管,桥堆等20年,工厂直销省20%,4000家电路电器生产企业选用,专业的工程师帮您稳定好每一批产品,如果您有遇到什么需要帮助解决的,可以点击右边的工程师,或者点击销售经理给您精准的报价以及产品介绍
烜芯微专业制造二极管,三极管,MOS管,桥堆等20年,工厂直销省20%,4000家电路电器生产企业选用,专业的工程师帮您稳定好每一批产品,如果您有遇到什么需要帮助解决的,可以点击右边的工程师,或者点击销售经理给您精准的报价以及产品介绍

