极速快3

您好!欢迎光临极速快3品牌官网!

深圳市极速快3有限公司

ShenZhen XuanXinWei Technoligy Co.,Ltd
二极管、三极管、MOS管、桥堆

全国服务热线:18923864027

  • 热门关键词:
  • 桥堆
  • 场效应管
  • 三极管
  • 二极管
  • 基于功率MOSFET的锂电池保护电路设计介绍
    • 发布时间:2021-04-24 17:02:23
    • 来源:
    • 阅读次数:
    基于功率MOSFET的锂电池保护电路设计介绍
    铅酸电池具有安全、便宜、易维护的特点,因此目前仍然广泛的应用于电动自行车。但是铅酸电池污染大、笨重、循环次数少,随着世界各国对环保要求越来越高,铅酸电池的使用会越来越受到限制。磷酸铁锂电池作为一种新型的环保电池,开始逐步的应用到电动车中,并且将成为发展趋势。通常,由于磷酸铁锂电池的特性,在应用中需要对其充放电过程进行保护,以免过充过放或过热,以保证电池安全的工作。短路保护是放电过程中一种极端恶劣的工作条件,本文将介绍功率MOSFET在这种工作状态的特点,以及如何选取功率MOSFET型号和设计合适的驱动电路。
    电路结构及应用特点
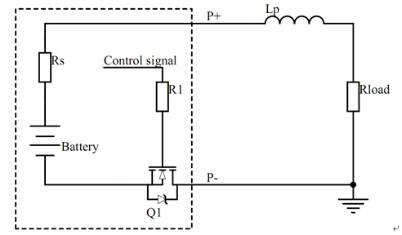
    电动自行车的磷酸铁锂电池保护板的放电电路的简化模型如图1所示。Q1为放电管,使用N沟道增强型MOSFET,实际的工作中,根据不同的应用,会使用多个功率MOSFET并联工作,以减小导通电阻,增强散热性能。RS为电池等效内阻,LP为电池引线电感。
    锂电池保护电路
    图1 锂电池放电拓扑
    正常工作时,控制信号控制MOSFET打开,电池组的端子P+和P-输出电压,供负载使用。此时,功率MOSFET一直处于导通状态,功率损耗只有导通损耗,没有开关损耗,功率MOSFET的总的功率损耗并不高,温升小,因此功率MOSFET可以安全工作。
    但是,当负载发生短路时,由于回路电阻很小,电池的放电能力很强,所以短路电流从正常工作的几十安培突然增加到几百安培,在这种情况下,功率MOSFET容易损坏。
    磷酸铁锂电池短路保护的难点
    (1)短路电流大
    在电动车中,磷酸铁锂电池的电压一般为36V或48V,短路电流随电池的容量、内阻、线路的寄生电感、短路时的接触电阻变化而变化,通常为几百甚至上千安培。
    (2)短路保护时间不能太短
    在应用过程中,为了防止瞬态的过载使短路保护电路误动作,因此,短路保护电路具有一定的延时。而且,由于电流检测电阻的误差、电流检测信号和系统响应的延时,通常,根据不同的应用,将短路保护时间设置在200μS至1000μS,这要求功率MOSFET在高的短路电流下,能够在此时间内安全的工作,这也提高了系统的设计难度。
    短路保护
    当短路保护工作时,功率MOSFET一般经过三个工作阶段:完全导通、关断、雪崩,如图2所示,其中VGS为MOSFET驱动电压,VDS为MOSFET漏极电压,ISC为短路电流,图2(b)为图2(a)中关断期间的放大图。
    锂电池保护电路
    图2:短路过程。(a)完全导通阶段;(b)关断和雪崩阶段。
    (1)完全导通阶段
    如图2(a)所示,短路刚发生时,MOSFET处于完全导通状态,电流迅速上升至最大电流,在这个过程,功率MOSFET承受的功耗为PON= ISC2 * RDS(on),所以具有较小RDS(on)的MOSFET功耗较低。
    功率MOSFET的跨导Gfs也会影响功率MOSFET的导通损耗。当MOSFET的Gfs较小且短路电流很大时,MOSFET将工作在饱和区,其饱和导通压降很大,如图3所示,MOSFET的VDS(ON)在短路时达到14.8V,MOSFET功耗会很大,从而导致MOSFET因过功耗而失效。如果MOSFET没有工作在饱和区,则其导通压降应该只有几伏,如图2(a)中的VDS所示。
    锂电池保护电路
    图3:低跨导MOSFET的导通阶段
    (2)关断阶段
    如图2(b)所示,保护电路工作后,开始将MOSFET关断,在关断过程中MOSFET消耗的功率为POFF = V * I,由于关断时电压和电流都很高,所以功率很大,通常会达到几千瓦以上,因此MOSFET很容易因瞬间过功率而损坏。同时,MOSFET在关断期间处于饱和区,容易发生各单元间的热不平衡从而导致MOSFET提前失效。
    提高关断的速度,可以减小关断损耗,但这会产生另外的问题。MOSFET的等效电路如图4所示,其包含了一个寄生的三极管。在MOSFET短路期间,电流全部通过MOSFET沟道流过,当MOSFET快速关断时,其部分电流会经过Rb流过,从而增加三极管的基极电压,使寄生三极管导通,MOSFET提前失效。
    因此,要选取合适的关断速度。由于不同MOSFET承受的关断速率不同,需要通过实际的测试来设置合适的关断速度。
    锂电池保护电路
    图4:MOSFET等效电路
    图5(a)为快速关断波形,关断时通过三极管快速将栅极电荷放掉从而快速关断MOSFET,图5(b)为慢速关断电路,在回路中串一只电阻来控制放电速度,增加电阻可以减缓关断速度。
    锂电池保护电路
    图5:功率MOSFET关断电路。(a)快速关断电路;(b)慢速关断电路。
    锂电池保护电路
    图6:AOT266关断波形。(a)快速关断波形;(b)慢速关断波形
    AOT266为AOS新一代的中压MOSFET,其耐压为60V,RDS(ON)仅为3.2毫欧,适合在磷酸铁锂电保护中的应用。图6(a)为AOT266在不正确的设计时快速关断的波形,AOT266在快关断过程中失效,失效时其电压尖峰为68V,失效后电流不能回零,其失效根本原因是关断太快。图6(b)为使用正确的设计、放电电阻为1K时的慢速关断波形,MOSFET的关断时间达到13.5us,电压尖峰为80.8V,但MOSFET没有失效,因此慢速关断在这种应用中可以提高短路能力。
    (3)雪崩阶段
    在MOSFET关断过程的后期,MOSFET通常会进入雪崩状态,如图2(b)中的雪崩阶段。关断后期MOSFET漏极电压尖峰为VSPIKE = VB + LP * di/dt,回路的引线电感LP和di/dt过大均会导致MOSFET过压,从而导致MOSFET提前失效。
    功率MOSFET的选取原则
    (1)通过热设计来确定所需并联的MOSFET数量和合适的RDS(ON);
    (2)尽量选择较小RDS(ON)的MOSFET,从而能够使用较少的MOSFET并联。多个MOSFET并联易发生电流不平衡,对于并联的MOSFET应该有独立的并且相等的驱动电阻,以防止MOSFET间形成震荡;
    (3)基于最大短路电流、并联的MOSFET数量、驱动电压等选择合适gFS的MOSFET;
    (4)考虑在关断后期的电压尖峰,MOSFET的雪崩能量不能太小。
    小结
    在电动车磷酸铁锂电池保护应用中,短路保护设计和整个系统的可靠性直接相关,因此不但要选择合适的功率MOSFET,而且要设计合适的驱动电路,才能保证功率MOSFET的安全工作。
    烜芯微专业制造二极管,三极管,MOS管,桥堆等20年,工厂直销省20%,4000家电路电器生产企业选用,专业的工程师帮您稳定好每一批产品,如果您有遇到什么需要帮助解决的,可以点击右边的工程师,或者点击销售经理给您精准的报价以及产品介绍
    相关阅读
    79991cm德彩网 美彩国际7709 佰富彩采购大厅-欢迎您 名贯彩票-大发精准计划 88爱彩 - 欢迎您 美彩国际 - 欢迎您 德彩网 - 欢迎您 79991cm德彩网