极速快3

您好!欢迎光临极速快3品牌官网!

深圳市极速快3有限公司

ShenZhen XuanXinWei Technoligy Co.,Ltd
二极管、三极管、MOS管、桥堆

全国服务热线:18923864027

  • 热门关键词:
  • 桥堆
  • 场效应管
  • 三极管
  • 二极管
  • 开关电源共模电感计算的方法详解
    • 发布时间:2021-06-30 18:58:45
    • 来源:
    • 阅读次数:
    开关电源共模电感计算的方法详解
    共模电感
    电感器作为磁性元件的重要组成部分,被广泛应用于电力电子线路中。尤其在电源电路中更是不可或缺的部分。如工业控制设备中的电磁继电器,电力系统之电功计量表(电度表)。开关电源设备输入和输出端的滤波器,电视接收与发射端之调谐器等等均离不开电感器。电感器在电子线路中主要的作用有:储能、滤波、扼流、谐振等。在电源电路中,由于电路处理的均是大电流或高电压的能量传递,故电感器多为“功率型”电感。正是因为功率电感不同于小信号处理电感,在设计时因开关电源的拓扑方式不一样,设计方式也就各有要求,造成设计的困难。当前电源电路中的电感器主要用于滤波、储能、能量传递以及功率因数校正等。电感器设计涵盖了电磁理论,磁性材料以及安规等诸多方面的知识,设计者需对工作情况和相关参数要求(如:电流、电压、频率、温升、材料特性等)有清楚了解以作出最合理的设计。
    电感器的分类
    电感器以其应用环境、产品结构、形状、用途等可分为不同种类,通常电感器设计是以用途及应用环境作为出发点而开始的。在开关电源中以其用途不同,电感器可分为:
    共模滤波电感器(Common Mode Choke)
    常模滤波电感器(Normal Mode Choke)
    功率因数校正电感(Power Factor Correction - PFC Choke)
    交链耦合电感器(Coupler Choke)
    储能平波电感(Smooth Choke)
    磁放大器线圈(MAG AMP Coil)
    共模滤波电感器因要求两线圈具有相同的电感值,相同的阻抗等,故该类电感均采用对称性设计,其形状多为TOROID、UU、ET等形状。
    共模电感的工作原理
    共模滤波电感器又称共模扼流线圈(以下简称共模电感或CM.M.Choke)或Line Filter。
    在开关电源中,由于整流二极管和滤波电容以及电感中的电流或电压急剧变化,产生电磁干扰源(noise),同时输入电源中也存在工频以外的高次谐波噪声,这些干扰若不加以扼制,将对负载设备或开关电源本身造成损害,因此若干国家之安规机构对电磁干扰(EMI)发射量均作出了相应的管制规定。当前开关电源的开关频率日趋高频化EMI也随之日益严重,所以开关电源中均须设置EMI滤波器,EMI滤波器需对常模及共模噪声均作出相应的抑制,以达到某一规定标准。常模滤波器负责滤出输入或输出端两根线间之差模干扰信号,共模滤波器负责滤出两条入线之共模干扰信号。实际共模电感因其工作环境不同,又可分为AC CM.M.CHOKE;DC CM.M.CHOKE和SIGNAL CM.M.CHOKE三种,在设计或选用时应于以区分。但其工作原理完全相同,工作原理如图(1)所示:
    共模电感
    图1共模电感的作用
    如图所示,在同一磁环上绕上两组方向相反的线圈,据右手螺旋管定则可知,当在输入端A、B两端加上极性相反,信号幅值相同的差模电压时,有实线所示的电流i2,在磁芯中产生实线所示的磁通Φ2,只要保证两绕组完全对称,则磁芯中两不同方向之磁通相互抵消。总磁通为零,线圈电感几乎为零,对常模信号无阻抗作用。若在输入端A、B两端加上极性相同,幅值相等的共模信号时,有虚线所示的电流i1,在磁芯中产生虚线所示的磁通Φ1,则磁芯中磁通有相同的方向而互相加强,使每一线圈的电感值为单独存在时的两倍,而XL =ωL,因此,此一绕法的线圈对共模干扰有很强的抑制作用。
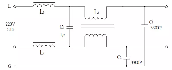
    实际的EMI滤波器由L、C组合而成,设计时也常常将差模与共模抑制电路组合在一起(如图2),因此,设计时需依据滤波电容的大小以及所需符合的安规标准作出电感值的决定。
    图中L1、L2、C1构成常模滤波器,L3、C2、C3构成共模滤波器。
    共模电感
    图2 EMI滤波器电路
    在设计共模电感之前,首先要考察线圈须行符合以下原则:
    1 >正常工作状态下,不致因通电电源电流而造成磁芯饱和。
    2 >对高频干扰信号要有足够大的阻抗,且有一定的频宽,而对工作频率之信号电流有最小的阻抗。
    3 >电感的温度系数应小,而分布电容宜小。
    4 >直流电阻应尽量小。
    5 >感应电感应尽量大,电感值需稳定。
    6 >绕组间之绝缘性须满足安规要求。
    共模电感器之设计步骤:
    Step 0 SPEC取得:EMI允许级别,应用位置。
    Step 1电感值确定。
    Step 2 core材质及规格确定。
    Step 3绕组匝数及线径确定。
    Step 4打样
    Step 5测试
    设计举例
    共模电感
    图3实际EMI滤波器
    Step 0 : 如图3所示EMI滤波电路
    CX = 1.0 Uf Cy = 3300PF EMI等級 : Fcc Class
    Type : Ac Common Mode Choke
    Step 1:电感(L)确定:
    由电路图可知共模信号由L3和C2、C3组成的共模滤波器抑制,实际L3与C2和C3构成两路LC串联电路,分别吸收L和N在线的噪声。只要确定滤波电路的截止频率,也已知电容容量C,则可以下式求出电感L。
    fo= 1/(2π√LC)L → 1/(2πfo)2C
    通常EMI测试频宽如下:
    传导干扰:150KHZ →30MHZ(注:VDE标准10KHZ - 30M)
    辐射干扰:30MHZ 1GHZ
    实际的滤波器无法达到理想滤波器那样陡峭的阻抗曲线,通常可将截止频率设定在50KHZ左右。在此,假设f o = 50KHZ,则
    L =1/(2πfo)2C = 1/ [( 2*3.14*50000)2 *3300*10-12] = 3.07mH
    L1、L2、C1组成(低通)常模滤波器,线间电容有1.0uF,则常模电感为:
    L = 1/ [( 2*3.14*50000)2 *1*10-6] = 10.14uH
    如此,可得到理论要求的电感值,若想获得更低的截止频率fo,则可进一步加大电感值,截止频率一般不低于10KHZ。理论上电感量越高对EMI抑制效果越好,但过高的电感将使截止频率更低,而实际的滤波器只能做到一定宽带,也就使高频噪声的抑制效果变差(一般开关电源的噪声成分约为5 ~10MHZ间,但也有超过10MHZ之情形)。另外,电感量愈高,则绕线匝数愈多,或CORE之ui越高,如此将造成低频阻抗增加(DCR变大)。匝数增加使分布电容也随之增大(如图4),使高频电流全部经此电容流通。过高的ui使CORE极易饱和,同时制作也极困难,成本也较高。
    共模电感
    图4有分布电容Cd之等效电路图
    Step 2 CORE材质及SIZE确定
    从前述设计要求中可知,共模电感器需不易饱和,如此就需要选择低B - H角形比之材料,因需要较高的电感值,磁芯的ui值也就要高,同时还必须有较低的磁芯损耗和较高的Bs值,符合上述要求之CORE材质,目前以Mn - Zn铁氧体材料CORE最为合适。
    COEE SIZE在设计时并无一定的规定,原则上只要符合所需电感量,且在允许的低频损耗范围内,以所设计的产品体积最小化即可。
    因此,CORE材质及SIZE提取应以成本、允许损耗、安装空间等作考察。共模电感常用CORE之ui约在2000 ~ 10000之间。Iron Powder Core也有低的铁损,高的Bs和较低的B - H角形比率,但其ui较低,故一般不被应用于共模电感,而该类磁芯却是常模电感器之优选材料。
    Step 3确定匝数N和线径dw
    首先确定CORE之规格,如本例采用T18*10*7、A10、AL = 8230±30%,则:
    N = √L / AL = √(3.07*106 ) / (8230*70%) = 23 TS
    线径以电流密度3 ~ 5A / mm2为选择原则,若空间允许可选择尽量低的电流密度。假设本例输入电流I i = 1.2A,取J = 4 A / mm2
    则Aw = 1.2 / 4 = 0.3 mm2           Φ0.70 mm
    实际的共模电感还必需通过实做样品进行测试,方可确认设计之可靠性,因为制作工艺的差异也将导致电感参数的差异而影响滤波效果,如分布电容的增加,将使高频噪声更易传递,两绕组的不对称性,使两组感量差异变大,对常模信号形成一定阻抗。
    小结
    1 >共模电感器的作用是滤除线路中的共模噪声,设计时要求两绕组具有完全对称的结构,电参数相同。
    2 >共模电感的分布电容对抑制高频噪声有负面影响,应尽量减小。
    3 >共模电感的感值与须滤除的噪声频带及配合电容容量有关,通常感值在2mH ~50 mH之间
    烜芯微专业制造二极管,三极管,MOS管,桥堆等20年,工厂直销省20%,4000家电路电器生产企业选用,专业的工程师帮您稳定好每一批产品,如果您有遇到什么需要帮助解决的,可以点击右边的工程师,或者点击销售经理给您精准的报价以及产品介绍
    相关阅读
    79991cm德彩网 美彩国际7709 佰富彩采购大厅-欢迎您 名贯彩票-大发精准计划 88爱彩 - 欢迎您 美彩国际 - 欢迎您 德彩网 - 欢迎您 79991cm德彩网