为了更快速有效地连接模拟和数字世界以利用物联网(IoT),忽略电压基准的关键作用是容易但不明智的。模数(ADC)和数模(DAC)转换器用作“判断”模拟输入和输出值的主要标准,有助于确保准确的信号和数据转换,但仅限于此适当选择并正确应用。
本文将简要介绍电压基准的结构和特性,并描述如何选择电压基准。举例来说,它将引入ADI公司 ADR43x系列的电压基准,以说明设计人员可利用的各种特性,增强功能和特性,以充分利用现代电压基准。在此过程中,它将展示如何应用ADR43x器件,使其保持在可接受的限制范围内,以使ADC,DAC和整个系统充分发挥其潜力。
电压参考的关键作用
在基本形式中,电压基准是一个三端子器件,带有电源轨,接地(公共)和精密输出电压连接(图1)。不适合该任务或未正确应用的参考将是不准确的,并且将损害转换器输出的有效性和可信度。


一旦设计人员在标称输出电压,精度和容差以及其他参数方面选择了合适的参考,则挑战在于使用该参考,使指定的性能完全满足应用要求,并且器件的性能是不妥协。这一点的重要性不容小觑。如上所述,电压参考是ADC在将数字化电压时判断模拟输入电压的主要标准。在DAC的情况下,稳定可靠的电压基准允许转换器产生对应于输入数字代码的精确模拟输出电压。
选择参考
三个技术最常用于固态引用:埋齐纳二极管,使用晶体管V带隙的方法是,XFET ®配置,它有两个结场效应晶体管串联工作。
虽然电压参考设计人员可能会讨论每种方法的细微之处和属性(有充分理由),但对于大多数电压参考用户而言,重点在于性能,权衡,应用和成本问题。这是这里采取的观点。
由于所使用技术的基础器件物理特性,电压基准的内部核心基准可能处于“笨拙”值,而电压基准设计有内部电路,以确保其输出电压与转换器分辨率匹配良好。以及系统需求。
例如,许多参考作为一系列相同的设备提供,可选择输出值,例如2.048,2.5,3.0,4.096和5.0伏。2.048伏和4.096伏的版本很方便,因为它们“均匀”地映射到转换器分辨率; 例如,使用4.096伏参考的12位转换器的标称比例为1毫伏(mV)/转换计数。
初始参考精度以百分比或毫伏为单位指定,精度可能会有很大差异,因为某些应用需要比其他应用更高的精度。通常,更高的准确度更难以实现和维护; 典型的参考规格是在所有条件下的±0.1%的最大误差。然而,底层拓扑和工艺技术的进步使得该规范得以改进。例如,4.096伏ADR434基准电压源采用XFET方法,初始精度为±5 mV(A后缀)或±1.5 mV(B后缀)。
然而,有许多应用的绝对精度是参考稳定性和长期一致性的次要因素。原因可能是随后可以校正数字化数据,或者绝对精度不如比较结果及其变化那么重要,这两者都是参考稳定性的函数。因此,参考的选择必须评估需要多少绝对精度与需要多少稳定性以及如何保持稳定性。
这种稳定性因素具有重要的考虑因素。是短期使用,例如在短暂实验期间获取数据的情况?或者是长期数据采集超过一年还是更长时间?这些是设计师必须提前为每个项目回答的问题。
外部参考与内部参考
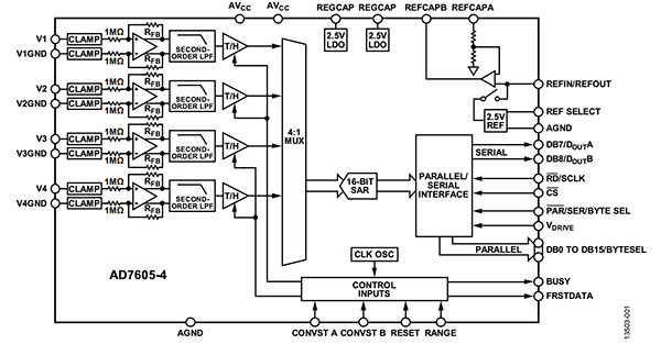
还有一个更基本的问题:你甚至需要一个独立的外部参考吗?AD7605-4BSTZ ADC 等转换器带有内部参考电压,可节省电路板空间和物料清单(BOM)(图2)。此外,数据手册可以提供完全表征的ADC读取精度的规范,因为参考的性能成为转换器IC整体性能的一部分。


但是,即使转换器内核适用,内部基准也可能无法提供所需的性能,因此大多数转换器都具有外部基准的连接。请注意,高度专用且成本敏感的转换器(例如低端音频通道的转换器)可能具有符合目标标准的内部转换器,因此不需要外部参考。尽管如此,假设任何外部参考自动提供比内部参考更好的结果是简单的,因为内部参考的性能可能与其相关转换器的规格相当。
考虑使用外部参考电压还有另一个原因,即使内部参考电压足够。在不仅仅有一个转换器IC的设计中,各个内部参考可能不同或彼此不相同。由于参考文献的差异,它们的结果数据将存在不一致性,这会使数据难以与无法解决的无法解决的错误相关联。
因此,对于具有多个转换器的高性能系统,通常最好使用单个共享外部参考。然而,这样做引起了对参考“驱动”多个转换器而不降低其基本性能的能力的担忧,这是下面讨论的考虑因素。
维护参考的性能
除初始精度和公差规范外,参考文献还必须解决一些问题,以确保性能保持在可接受的范围内。这些问题包括:
布局问题,包括电压降和噪声
输出驱动(源/接收器),负载缓冲和瞬态性能
短期稳定性和温度相关的漂移
由于老化,物理压力和包装导致的长期漂移
1.布局问题,包括电压降和噪声:与任何敏感的模拟信号一样,即使是提供静态电压的信号,参考输出和转换器之间也可能存在过大的电流阻抗(IR)电压降。虽然大多数参考负载低至几十毫安(mA),但即使通过100毫欧(mΩ)的10 mA的适度负载也会导致1 mV的电压降,这可能会给预算带来很大的误差。
ADR43x系列电压基准通过在开尔文连接配置中将外部运算放大器(运算放大器)的强制环路中的布线电阻包括在内来克服了这一问题(图3)。放大器检测负载电压,因此运算放大器的环路控制强制输出补偿接线错误,从而在负载产生正确的电压。


由于负载噪声,接地(公共)噪声以及来自不充分去耦的电源轨的噪声拾取,外部噪声也会影响转换器上的参考电压。此外,参考还具有低频(0.1赫兹(Hz)至10.0Hz)和必须评估的高频(10Hz至25千赫兹(kHz))内部噪声。高性能基准电压源(如ADR43x系列中的基准电压源)具有低于3.5微伏(μV)峰峰值(pp)和高频噪声的低频噪声。
显示了ADR431BRZ-REEL7的噪声密度谱(图4)。对于不同的容性负载,它相对平坦到大约1 kHz,然后开始上升; 对于零容性负载,它保持平坦。


降低噪声的最常用策略是添加一个简单的电阻 - 电容(RC)滤波器。然而,许多参考文献的输出放大器可能变得不稳定并且在大容性负载下振荡,因此除非参考设计用于输出,否则不能选择将几微法(μF)的较大电容连接到输出。对于ADR43x器件,如果高频噪声仍然超出要求,则可以使用简单的RC滤波器补充基准电压源的基本连接(图5)。


请注意,ADR43x每个引脚都提供一个外部引脚,可以访问内部补偿节点,允许在关键电路点添加外部串联RC网络(图6)。


添加RC电路允许用户“过度补偿”内部运算放大器并避免不稳定。用户可以选择电容值,以达到可接受的低噪声水平与频率的关系(图7)。


2.输出驱动(源/接收器),负载缓冲和瞬态性能:大多数基准电压源都是内部缓冲的,可以提供和吸收高达5或10 mA的电流。如果所需的负载电流大于参考的源/吸收额定值,则需要外部缓冲器(通常为单位增益)。然而,缓冲器可能不是所希望的,因为其缺陷(不精确,漂移)的潜在影响可能会使参考超出系统规范。
在许多情况下,ADR43x系列不需要外部电流升压缓冲器,因为它具有相对较高的+30 mA电源和-20 mA灌电流额定值。
此外,参考上的负载不一定是恒定的,但可能随着ADC(或DAC)内部切换而变化。如果转换器上的外部参考输入被缓冲,这不是问题; 如果不是,则必须检查参考的瞬态性能。在某些情况下,参考和转换器之间需要一个外部缓冲器,以便在瞬态负载下提供驱动; 再次,缓冲区的性能必须考虑到系统错误分析中。
3.短期稳定性和与温度相关的漂移:由于有源电路稳定的时间和芯片上的热梯度稳定,参考输出将漂移。大多数基准电压源的导通建立时间通常取决于负载电容,但负载电容对负载较小的ADR431的影响最小(图8和图9)。



数据手册规定了定义温度下的参考精度,通常与开启值不同。由温度变化引起的输出变化很容易超过系统精度要求,因此需要具有适当低漂移规格的参考。ADR43x系列的额定工作温度范围为-40°C至+ 125°C; 对于ADR434A(4.096伏,±5 mV初始精度),该系数为百万分之10(ppm)/°C,而该系列的其他成员的值低至3 ppm /°C。
4.由于老化,物理压力和包装造成的长期漂移:漂移往往是参考不准确的重要原因。考虑一个需要电压基准的应用,在±0.1%的温度范围内具有总精度。设计人员可选择高性能参考,初始精度为±0.05%,温度系数极低,为±5 ppm /°C。
在25°C和125°C之间,由温度系数引起的漂移将为5 ppm /°C×100°C,或500 ppm(0.05%),因此总误差(初始误差+漂移误差)将满足要求±0.1%。一些高端应用将参考放置在温度控制的烤箱中,类似于用于温度稳定的频率设定晶体和时钟的烤箱,但这对于大多数情况来说是不可取或不实用的。
随着参考精度的提高,其基本长期漂移(LTD)成为维持该精度的更大因素。对于设计工程师来说,LTD提出了一个特殊的挑战,因为它也是生产程序和产品使用模式的一个功能,而不仅仅是设计的彻底性和相关的组件选择。在电路板装配期间发生的封装上的应力是LTD的主要原因。由于暴露在电路板焊接过程的高温下,塑料封装的IC会稍微改变形状,这种应力引起的尺寸变化会给电压参考芯片带来压力。
结果是电压参考的输出随着这些机械的,与装配相关的应力消退并在数小时,数天甚至数周内恢复正常而改变。变化量取决于布局,器件封装和其他因素,并且通常在数十ppm的量级。此外,当器件在一年的时间内老化时,参考的芯片和封装关系甚至会“稳定”,因此一些参考文献指定在更长的时间段内漂移。
大多数参考数据表提供LTD规格作为运行前1000小时后的典型漂移; ADR43x系列数据手册规定了40 ppm(典型值)的1000小时LTD,但也注意到后续1000小时内的漂移明显低于前1000小时内的漂移。
这种应力引起的漂移的一个解决方案是在几小时内使板热循环几次,因为这将加速内应力的缓解。另一种解决方案是考虑在陶瓷封装中使用电压基准,因为它们通常比塑料封装更稳定并且具有比塑料封装更低的弯曲水平。但是,陶瓷封装中没有许多参考文献; 但这可能不是问题,因为最新一代的塑料参考提供的LTD性能几乎与陶瓷封装器件一样好。
最后,设计人员不能忽视其自身电源轨上瞬态电压参考的影响; 毕竟,参考是一种专门的“电源”在很多方面。因此,负载变化不仅可能影响输出精度,而且稳定和干净的直流(DC)输入线是保持指定性能的另一个因素。也就是说,精心设计的电压基准将严格调节功率输入。所述ADR431指定行规ΔV OUT /ΔV IN在7至18伏的输入电压范围内(图10)5毫伏/ ppm的(典型)和20毫伏/ ppm的(最大)的。


结论
无论是ADC或DAC的内部还是分立的外部元件,电压基准都是使用数据转换器的任何系统的关键组成部分。基本精度,漂移和其他参数的改进转化为系统级性能改进。
如图所示,设计人员可以在拓扑和工艺方面提供各种电压参考特性和增强功能。除了增加的功能,以确保在各种静态和动态操作条件下的准确性和一致的性能,看似简单的电压参考有很多设计师寻找满足严格设计要求的选项。
烜芯微专业制造二极管,三极管,MOS管,桥堆等20年,工厂直销省20%,4000家电路电器生产企业选用,专业的工程师帮您稳定好每一批产品,如果您有遇到什么需要帮助解决的,可以点击右边的工程师,或者点击销售经理给您精准的报价以及产品介绍
烜芯微专业制造二极管,三极管,MOS管,桥堆等20年,工厂直销省20%,4000家电路电器生产企业选用,专业的工程师帮您稳定好每一批产品,如果您有遇到什么需要帮助解决的,可以点击右边的工程师,或者点击销售经理给您精准的报价以及产品介绍

