LM386是音频功率放大器,主要应用于低电压消费类产品。为使外围元件最少,电压增益内置为20。但在1脚和8脚之间增加一只外接电阻和电容,便可将电压增益调为任意值,直至200。输入端以地位参考,同时输出端被自动偏置到电源电压的一半,在6V电源电压下,它的静态功耗仅为24mW,使得LM386特别适用于电池供电的场合。下面将介绍其的应用电路:
1.放大器增益20电路

图1 放大器增益20的电路图
图1的应用电路为增益20的情形,于pin1及pin8间加一个10μF的电容即可使增益变成200
2.放大器增益200电路

图2 放大器增益200的电路图
如图2所示。图中10千欧的可变电阻是用来调整扬声器音量大小,若直接将Vin输入即为音量最大的状态。
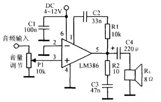
3.电压增益20放大电路
电压增益为20的放大电路:

图3 电压增益20的放大电路图
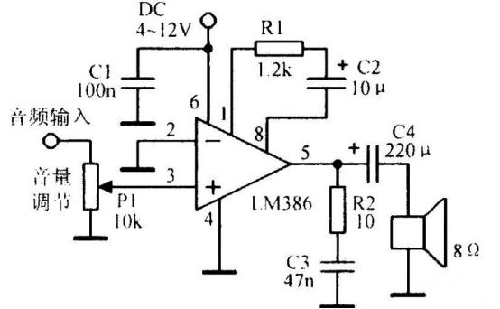
4.电压增益50放大电路
电压增益为50的放大电路:

图4 电压增益50的放大电路
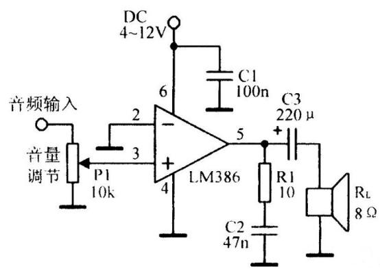
5.电压增益200放大电路
电压增益为200的放大电路:在85Hz具有6db增益的放大电路:

图6 具有6db增益的放大电路
6.收音机功率放大
用于收音机中的LM386:调幅收音机功率放大器

图7 调幅收音机功率放大器电路图
7.电池供电电路

图8 电池供电的设计图
比如:在电源线上加上去耦电容,对于电池供电的设计来说,0.05mF的电容应该就够了,而对于其他的设计或者电源线过长的话,100mF的电解电容再并联一个0.05~0.1mF的瓷片电容效果会更好。对于一些朋友来说,他们还会习惯在7脚上接上一个旁路电容,不过这不是必要的。

图9 重低音加强的电路接法
除此之外,还有一种“重低音加强”的电路接法,和过去的磁带录音机上的功能很像,不过它的原理就是在输出端加一个低通滤波器,把高频部分滤出,这样听起来就像是中频和低频信号得到了加强一样,在部分电动玩具上,这种电路可以使得声音更加清楚。
以上就是LM386的典型应用电路介绍了。虽然LM386已经不再是一款非常流行的芯片,然而在DIY领域,仍然是非常流行的一款音频放大器芯片。它就像是锤子和钳子一样,平常我们注意不到它的存在,但是一旦需要的时候,它总是那么可靠。
电话:18923864027(同微信)
QQ:709211280
〈烜芯微/XXW〉专业制造二极管,三极管,MOS管,桥堆等,20年,工厂直销省20%,上万家电路电器生产企业选用,专业的工程师帮您稳定好每一批产品,如果您有遇到什么需要帮助解决的,可以直接联系下方的联系号码或加QQ/微信,由我们的销售经理给您精准的报价以及产品介绍

