LM386广泛应用于音频功放电路,在绝大多数场合或单独使用的情况下,LM386能正常工作,但是在和其他电路搭配使用之后,有可能产生自激和灵敏度降低等现象。本文主要介绍应对这种现象防治措施以及使用注意事项
1.防治自激啸叫措施
1.1输入信号过强
对于由于输入信号过强引起的啸叫,可在LM386第1、8脚之间加阻容网络。量应用时,R的阻值可由实验决定,或将R代换为微调电位器W,若信号仍然过强,可将LM386第1、8脚悬空。
1.2高频自激

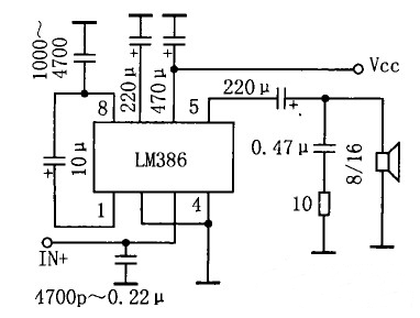
图1 防高频自激电路原理
防高频自激电路原理如图1所示。对高频自激引起的啸叫可在信号输入端与地之间接一只4700pF~0.22μF的瓷片电容,在第8脚与地之间接一只1000~4700pF瓷片电容。作单端输人时,闲置的输入端不要悬空而要接地。
1.3低频自激
对于低频自激引起的啸叫可试在输入端与地之间接一只6.8~22kΩ电阻,将第8脚的滤波电容增大到1000μF,在制作印制板时,使LM386尽量靠近电源输出端。
1.4其他方法
在使用其它品牌产品(如GL386、KA386等)时,有的IC会对高音频的灵敏度有影响。可在其第7脚与地之间接一只0.1μF瓷片电容,在第4、6脚间(注:不同于第8脚接地)接一保0.1UF瓷片电容。
2.注意事项
尽管LM386的应用非常简单,但稍不注意,特别是器件上电、断电瞬间,甚至工作稳定后,一些操作(如插拔音频插头、旋音量调节钮)都会带来的瞬态冲击,在输出喇叭上会产生非常讨厌的噪声。

图2 LM386外形图
1.PCB设计时,所有外围元件尽可能靠近LM386;地线尽可能粗一些;输入音频信号通路尽可能平行走线,输出亦如此。
2.选好调节音量的电位器。质量太差的不要,否则受害的是耳朵;阻值不要太大,10K最合适,太大也会影响音质。
3.通过接在1脚、8脚间的电容(1脚接电容+极)来改变增益,断开时增益为20。因此用不到大的增益,电容就不要接了,不光省了成本,还会带来好处。
4.尽可能采用双音频输入/输出。好处是:“+”、“-”输出端可以很好地抵消共模信号,故能有效抑制共模噪声。
5.电源的处理,也很关键。如果系统中有多组电源,由于电压不同、负载不同以及并联的去耦电容不同,每组电源的上升、下降时间必有差异。非常可行的方法:将上电、掉电时间短的电源放到+12V处,选择上升相对较慢的电源作为LM386的Vs,但不要低于4V。
6.第7脚(BYPASS)的旁路电容不可少,实际应用时,BYPASS端必须外接一个电解电容到地,起滤除噪声的作用。工作稳定后,该管脚电压值约等于电源电压的一半。增大这个电容的容值,减缓直流基准电压的上升、下降速度,有效抑制噪声。在器件上电、掉电时的噪声就是由该偏置电压的瞬间跳变所致,所以这个电容不能省。
7.减少输出耦合电容。此电容的作用有二:隔直+耦合。隔断直流电压,直流电压过大有可能会损坏喇叭线圈;耦合音频的交流信号。它与扬声器负载构成了一阶高通滤波器。减小该电容值,可使噪声能量冲击的幅度变小、宽度变窄;太低还会使截止频率(fc=1/(2π*RL*Cout))提高。分别测试,发现10uF/4.7uF最为合适。
电话:18923864027(同微信)
QQ:709211280
〈烜芯微/XXW〉专业制造二极管,三极管,MOS管,桥堆等,20年,工厂直销省20%,上万家电路电器生产企业选用,专业的工程师帮您稳定好每一批产品,如果您有遇到什么需要帮助解决的,可以直接联系下方的联系号码或加QQ/微信,由我们的销售经理给您精准的报价以及产品介绍

