极速快3

您好!欢迎光临极速快3品牌官网!

深圳市极速快3有限公司

ShenZhen XuanXinWei Technoligy Co.,Ltd
二极管、三极管、MOS管、桥堆

全国服务热线:18923864027

  • 热门关键词:
  • 桥堆
  • 场效应管
  • 三极管
  • 二极管
  • 单片机最小系统的组成详解
    • 发布时间:2022-02-21 19:10:20
    • 来源:
    • 阅读次数:
    单片机最小系统的组成详解
    单片机最小系统,或者称为最小应用系统,是指用最少的元件组成的以单片机为核心元件的可以正常工作的具有特定功能的单片机系统,是单片机产品开发的核心电路。而且单片机最小系统是在以51单片机为基础上扩展,使其能更方便地运用于测试系统中。下面将介绍其的组成:
    单片机最小系统主要由电源、复位、振荡电路以及扩展部分等部分组成。最小系统原理图如图1所示。
    单片机
    图1 最小系统电路图
    1.电源供电模块
    对于一个完整的电子设计来讲,首要问题就是为整个系统提供电源供电模块,电源模块的稳定可靠是系统平稳运行的前提和基础。51单片机虽然使用时间最早、应用范围最广,但是在实际使用过程中,一个和典型的问题就是相比其他系列的单片机,51单片机更容易受到干扰而出现程序跑飞的现象,克服这种现象出现的一个重要手段就是为单片机系统配置一个稳定可靠的电源供电模块。电源模块电路如图2所示。
    单片机
    图2 电源模块电路图
    此最小系统中的电源供电模块的电源可以通过计算机的USB口供给,也可使用外部稳定的5V电源供电模块供给。电源电路中接入了电源指示LED,图中R11为LED的限流电阻。S1 为电源开关。
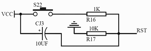
    2.复位电路
    单片机的置位和复位,都是为了把电路初始化到一个确定的状态,一般来说,单片机复位电路作用是把一个例如状态机初始化到空状态,而在单片机内部,复位的时候单片机是把一些寄存器以及存储设备装入厂商预设的一个值。复位电路图如图3所示。
    单片机
    图3 复位电路图
    单片机复位电路原理是在单片机的复位引脚RST上外接电阻和电容,实现上电复位。当复位电平持续两个机器周期以上时复位有效。复位电平的持续时间必须大于单片机的两个机器周期。具体数值可以由RC电路计算出时间常数。
    复位电路由按键复位和上电复位两部分组成。
    (1)上电复位:STC89系列单片及为高电平复位,通常在复位引脚RST上连接一个电容到VCC,再连接一个电阻到GND,由此形成一个RC充放电回路保证单片机在上电时RST脚上有足够时间的高电平进行复位,随后回归到低电平进入正常工作状态,这个电阻和电容的典型值为10K和10uF。
    (2)按键复位:按键复位就是在复位电容上并联一个开关,当开关按下时电容被放电、RST也被拉到高电平,而且由于电容的充电,会保持一段时间的高电平来使单片机复位。
    3.振荡电路
    单片机系统里都有晶振,在单片机系统里晶振作用非常大,全程叫晶体振荡器,他结合单片机内部电路产生单片机所需的时钟频率,单片机晶振提供的时钟频率越高,那么单片机运行速度就越快,单片接的一切指令的执行都是建立在单片机晶振提供的时钟频率。振荡电路如图4所示。
    单片机
    图4 振荡电路图
    在通常工作条件下,普通的晶振频率绝对精度可达百万分之五十。高级的精度更高。有些晶振还可以由外加电压在一定范围内调整频率,称为压控振荡器(VCO)。晶振用一种能把电能和机械能相互转化的晶体在共振的状态下工作,以提供稳定,精确的单频振荡。
    单片机晶振的作用是为系统提供基本的时钟信号。通常一个系统共用一个晶振,便于各部分保持同步。有些通讯系统的基频和射频使用不同的晶振,而通过电子调整频率的方法保持同步。
    晶振通常与锁相环电路配合使用,以提供系统所需的时钟频率。如果不同子系统需要不同频率的时钟信号,可以用与同一个晶振相连的不同锁相环来提供。
    STC89C51使用11.0592MHz的晶体振荡器作为振荡源,由于单片机内部带有振荡电路,所以外部只要连接一个晶振和两个电容即可,电容容量一般在15pF至50pF之间。
    4.扩展部分
    4.1LED电路
    单片机
    图5 LED电路图
    图5中主要元件有1K的排阻、LED、。1K的排阻为每个LED的限流电阻。此最小系统提供了8个独立LED,由P1口控制,采用共阳级接法所以只有当P1口输出低电平时LED才会点亮。
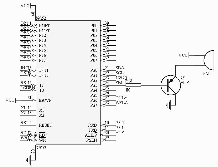
    4.2蜂鸣器电路
    单片机
    图6 蜂鸣器电路图
    图6中蜂鸣器使用的是PNP三极管进行驱动控制的,此蜂鸣器为电磁式有源蜂鸣器。三极管的集电极通过蜂鸣器接5V电源,基极是控制端,发射极接地,当单片机的P2.3输出低电平时,三极管导通,蜂鸣器发声。蜂鸣器为感性原件,也可以在两端并接一个二极管来起到泄放作用。
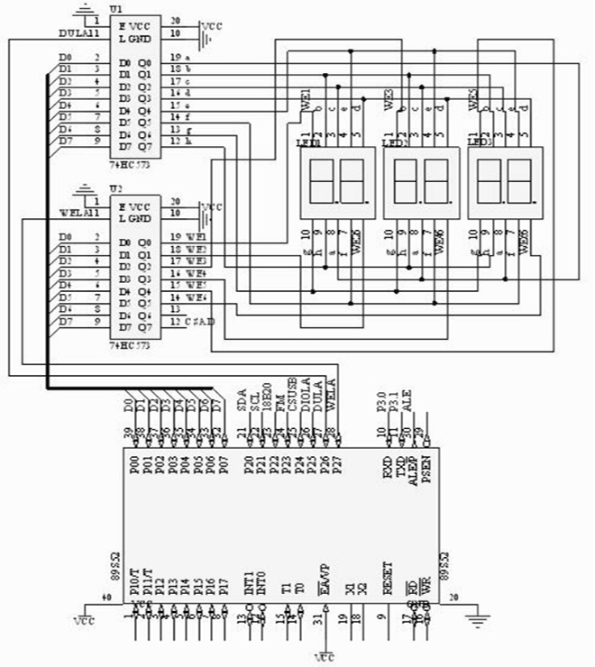
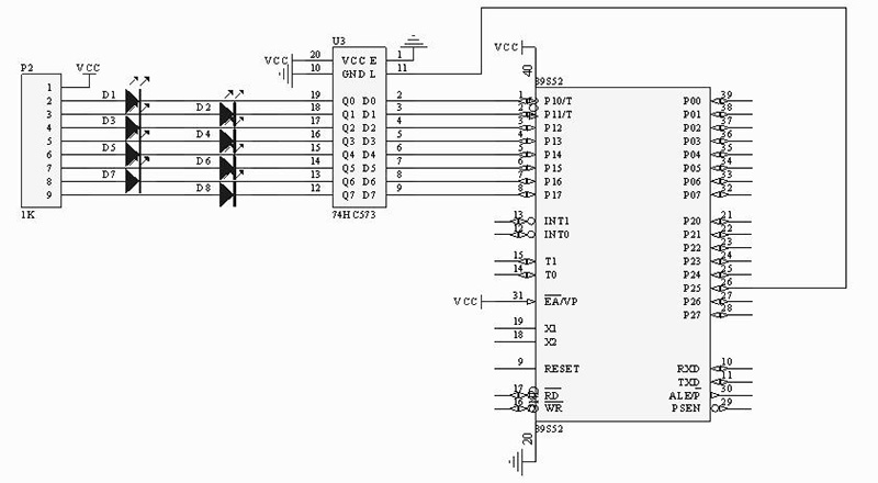
    4.3系统的数码管电路
    单片机
    图7 数码管电路图
    如图7所示,多位数码管的“位选”是可以独立控制的,而“段选”是连接在一起的,可以用作数码管的动态显示和静态显示。图7中所示的数码管全部为共阴极的数码管。74HC573为所存器,利用单片机可以控制所存器的所存端,进而控制锁存器的数据输出,利用分时控制的方法可以方便地控制任意数码管显示任意数字。
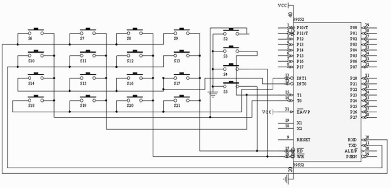
    4.4系统的键盘电路
    单片机
    图8 独立和矩阵键盘电路图
    图8中S2-S3为4个独立按键,与单片机的P3.4-P3.7分别相连。
    独立键盘与单片机相连时,每个按键都需要单片机的一个I/O口,若按键较多时,占用的I/O口资源就会过多,为此就引入了矩阵键盘。图8中是将16个按键排成4行4列,这样一共有8根线,节省了8个I/O口。S6-S21即为16个矩阵键盘,8条线分别与单片机飞P3口相连。
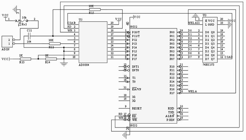
    4.5A/D电路
    单片机
    图9 A/D电路图
    集成A/D转换器品种繁多,一般选用逐次比较型A/D转换器,图9中的ADC0804就是这类单片集成A/D转换器。它采用CMOS工艺20引脚的集成芯片,分辨率为8位,转换时间为100us,输入电压范围为0-5V。芯片内具有三态输出数据锁存器,可以直接连接数据总线上。
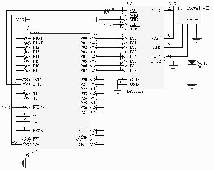
    4.6D/A电路
    单片机
    图10 D/A电路图
    DAC0832是使用非常普遍的8位D/A转换器,转换时间为1us,工作电压为+5V~+15V,基准电压为正负10V。它主要由两个8位寄存器和一个8位D/A转换器组成。其片内有输入数据缓冲器,可以直接与单片机接口。DAC0832一电流形式输出,需要转换为电压输出时,可外接运算放大器。
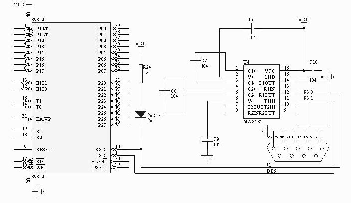
    4.7 系统串行通信电路
    单片机
    图11 串行通信电路图
    RS232串口电路使用MAX232作为电平转换芯片,可以通过串口电缆连接到计算机背后的COM口,用于单片机与上位机通信以及和其他串口设备的数据交互。
    以上就是单片机最小系统的组成介绍了。由于单片机往往是作为一个核心部件来使用,仅单片机方面知识是不够的,因此还应根据具体硬件结构,以及针对具体应用对象特点的软件结合,来更好的完善使用。
    〈烜芯微/XXW〉专业制造二极管,三极管,MOS管,桥堆等,20年,工厂直销省20%,上万家电路电器生产企业选用,专业的工程师帮您稳定好每一批产品,如果您有遇到什么需要帮助解决的,可以直接联系下方的联系号码或加QQ/微信,由我们的销售经理给您精准的报价以及产品介绍
     
    电话:18923864027(同微信)
    QQ:709211280

    相关阅读
    79991cm德彩网 美彩国际7709 佰富彩采购大厅-欢迎您 名贯彩票-大发精准计划 88爱彩 - 欢迎您 美彩国际 - 欢迎您 德彩网 - 欢迎您 79991cm德彩网