碳化硅设备或设备因在不久的将来有可能在电力电子设备(特别是大功率转换器应用)中替代硅的传统设备而闻名。由于宽带隙的可用性,高功率密度,较低的电阻和快速的开关频率,所有这些都是可能的。高可靠性电源系统需要复杂,苛刻和复杂的条件和环境才能工作。
经历故障的大多数情况是功率半导体故障的结果,由于半导体器件中的温度水平和变化会引起电路故障,因此建议对温度进行适当的监视,这将最终对下一代健康管理系统有所帮助。准阈值电压已用于提取结温。
准阈值电压作为TSEP
与MOS结构相关的阈值电压(Vth)是负责在器件中创建导电通道的最小栅极电压,并且允许电流在漏极和源极之间流动。
图1显示,由于栅极驱动器电压(Vgs)的数量比阈值电压低,在从t0到t1的导通过渡开始点,漏极电流(Id)完全为零。已经观察到,当Vgs到达t1时,它会移动到Vth。随之,Id的值也会增加。
在此,将准阈值电压的概念解释为在导通过程中与t1的时间相对应的栅极驱动电压的值。在图1中显示负温度系数的结温度升高时,注意到t1的量减少了。两个重要变量(例如阈值电压和结温度)之间的现有关系为改变,因为观察到Lss'上的电压发生了变化。
由于SiC MOSFET的开尔文源极和电源Lss'之间存在寄生电感,因此存在以同步方式突然升高电压的高端可能性,该寄生电感最终将由电压的上升反映出来。图2显示了四引脚SiC MOSFET的等效电路。

图1:导通期间的开关波形

图2:等效电路
准Vth测量电路及其工作原理
图3显示了完整的过程,通过新颖的方法提取准确的准Vth,取决于在电源端子和辅助电源端子之间接通电源驱动时寄生电感上的电压下降的时间。图3的框图清楚地显示了测量电流的方法。

图3:测量电路框图
该图所示的电路包括三个部分:
驱动部分
比较部分
采样保持部分
驱动部分
驱动部分的功能是通过切换到较大的驱动电阻来测量准Vth。SiC MOSFET由TMS320F28335产生的PWM信号隔离来驱动。
比较部分
该部分负责将Vss'中存在的模拟脉冲转换为逻辑信号。
采样保持部分
差分放大器AMP1用于在接通瞬态阶段之间获得Vgs。
已经注意到,通常在SiC MOSFET的Vgs之后是电容器C,而准Vth由闭合的JFET保持。
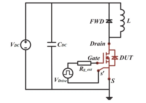
实验装置
图4显示了已经为实验完成的测试。该实验由带有双脉冲测试电路,续流二极管,驱动器环路和负载电感的被测设备组成。

图4:用于实验的等效电路
结果表明,阈值电压与结温成线性关系。当结从36°C升高到118°C时,准Vth改变0.358V。负载电流也从10 A改变为28 A,结果表明电流变化的影响是几乎可以忽略不计,但是Vds(直流母线电压)的影响更大。由于电容器Cgd,直流母线电压的增加导致准Vth的测量值变小,并且其值随电压从200 V增加到600 V而减小。
结论
本文介绍了一种新颖的测量电路,以测量用于测量SiC MOSFET的实时或实际结温。可以看出,出于订购和处理数据或电流传感器的目的,不需要本质上复杂的任何算法。该实验的最终结果表明,与准Vth的结温之间存在良好的灵敏度线性关系。在SiC MOSFET的双脉冲测试下,温度系数为–4.3mV /°C。负载电流不负责这项技术,它直接与直流链路电压相连,并且不影响上面提到的线性和灵敏度因素
电话:18923864027(同微信)
QQ:709211280
〈烜芯微/XXW〉专业制造二极管,三极管,MOS管,桥堆等,20年,工厂直销省20%,上万家电路电器生产企业选用,专业的工程师帮您稳定好每一批产品,如果您有遇到什么需要帮助解决的,可以直接联系下方的联系号码或加QQ/微信,由我们的销售经理给您精准的报价以及产品介绍

