电池充电方式简介
理论上为了防止因充电不当而造成电池寿命缩短,我们将电池的充电过程分为四个阶段:涓流充电(低压预充,此状态的电池电压比较低,实际使用时,建议将锂电池欠压保护点提高,避免电池出现过放电现象)、恒流充电、恒压充电以及充电终止。

典型的充电方式是:先检测待充电电池的电压,在电池电压较低情况下,先进行预充电,充电电流为设定的最大充电电流的1/10,当电池电压升到一定值后,进入标准充电过程。
标准充电过程为:以最大充电电流进行恒流充电,电池电压持续稳定上升,当电池电压升到接近设定的最大电压时,改为恒压充电,此时,充电电流逐渐下降,当电流下降至最大充电电流的1/10时,充电结束。
阶段1:涓流充电——涓流充电用来先对完全放电的电池单元进行预充(恢复性充电)。在电池电压低于3V左右时采用涓流充电,涓流充电电流是恒流充电电流的十分之一即0.1c(以恒定充电电流为1A举例,则涓流充电电流为100mA)。
阶段2:恒流充电——当电池电压上升到涓流充电阈值以上时,提高充电电流进行恒流充电。恒流充电的电流在0.2C至 1.0C之间。电池电压随着恒流充电过程逐步升高,一般单节电池设定的此电压为3.0-4.2V。
阶段3:恒压充电—— 当电池电压上升到4.2V时,恒流充电结束,开始恒压充电阶段。电流根据电芯的饱和程度,随着充电过程的继续充电电流由最大值慢慢减少,当减小到0.01C时,认为充电终止。(C是以电池标称容量对照电流的一种表示方法,如电池是1000mAh的容量,1C就是充电电流1000mA。)
阶段4:充电终止——有两种典型的充电终止方法:采用最小充电电流判断或采用定时器(或者两者的结合)。最小电流法监视恒压充电阶段的充电电流,并在充电电流减小到0.02C至0.07C范围时终止充电。第二种方法从恒压充电阶段开始时计时,持续充电两个小时后终止充电过程。

电池充电电路设计注意事项
若设计的充电电路没有防倒灌保护,将会产生许多危害。以输出端接2节锂电池串联为例,若仅将电源去除,充电器没有移除,电池内的电流倒灌至充电电路中,导致电池电量白白损失。
且更严重的安全隐患是:对于降压电源芯片来说,电池电流从输出端,经芯片内部功率管寄生的二极管倒灌至芯片的VIN端,当电路的输出端电压(电池电压)低于设定值时,芯片FB点电压相应的也会低于标称值,芯片开始工作来提高输出端电压;
由于输入端电压几乎与输出端相等,对于降压芯片来说,输入端无法给输出端提供能量,导致FB点电压一直低于标称值,芯片进入占空比100% 的工作状态。
此时若是输入端突然恢复供电,输入端电源会经过已经打开的功率管直接把能量输送到输出端,由于输入输出存在压差,瞬间会有比较大的电流流过功率管,若此时由于其它不可控的原因导致芯片未能及时有效做出响应来关闭功率管,这个大电流有可能会使芯片内部开关管损坏。因此在设计电池充电电路时,我们需要添加防倒灌的措施。
升压方案由于续流二极管可以起到防倒灌的作用,所以一般不外加防倒灌措施。但是对于降压方案,需要对电池充电电路添加防倒灌措施。
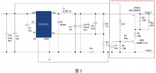
以XL4301锂电池充电电路为例,如图2、图3所示(红色虚线框中为防电流倒灌电路)。输入12V,输出接单节锂电池(3.1V-4.3V),最大充电电流0.8A;其中最大充电电流 IOUT=VCS/RCS=0.11/0.137≈0.803A,最大充电电压 VOUT=VFB*(1+R2/R1)=1.25*(1+7.87/3.3)≈4.231V。
图2电路中,我们选择一个肖特基二极管防止电流倒灌,这是简单有效的方法。为降低肖特基D2温度,选用的肖特基电流能力是充电电流2倍以上。

由于肖特基压降比较大,会增加系统损耗;为减小防倒灌电路产生的损耗,我们可以采用MOS管来防止电流倒灌,如图3正常工作时,PMOS管导通,电流经过MOS管给锂电池充电,MOS管功耗较小;当输入端断电时,PMOS关断,起到防止电流倒灌的作用。其中DZ1的选取遵循VOUT<VDZ1 <VIN。

备注:当输出端电压小于8.4V时,电路中DZ2与R6可以省去。
〈烜芯微/XXW〉专业制造二极管,三极管,MOS管,桥堆等,20年,工厂直销省20%,上万家电路电器生产企业选用,专业的工程师帮您稳定好每一批产品,如果您有遇到什么需要帮助解决的,可以直接联系下方的联系号码或加QQ/微信,由我们的销售经理给您精准的报价以及产品介绍
联系号码:18923864027(同微信)
QQ:709211280

