根据对桥臂上MOS的PWM控制方式不同,分为三种控制模式:受限单极模式、单极模式、双极模式。
受限单极模式
电机电枢驱动电压极性是单一的。需要对一个MOS控制PWM控制。

优点:控制方式简单。
缺点:不能刹车,不能能耗制动,在负载超过设定速度时不能提供反向力矩。调速静差大,调速性能很差,稳定性也不好。
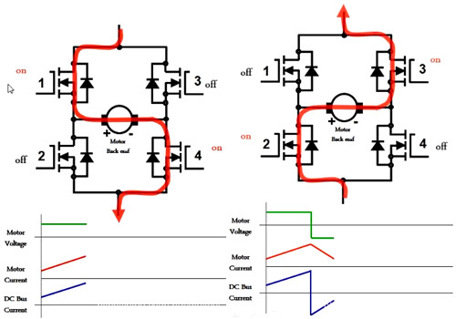
单极模式
电机电枢驱动电压极性是单一的。需要对同一侧桥臂的两个MOS管进行互补PWM控制。要使用高级定时器的互补通道进行控制。

优点:启动快,能加速,刹车,能耗制动,能量反馈,调速性能不如双极模式好,但是相差不多,电机特性也比较好。在负载超速时也能提供反向力矩。
缺点:刹车时,不能减速到0,速度接近0时没有制动力。不能突然倒转。动态性能不好,调速静差稍大。
控制过程:MOS管1和2由一对互补PWM进行控制,当1为高电平时,由VCC-1-Motor-4-GND形成通路,电机电流上升。当1为低电平时,2变为高电平,根据楞次定律,当不再给电机供电,线圈中存在自感电动势,电流继续往同一方向流动,于是由2-Motor-4形成通路,给线圈电流继续提供通路。

于是线圈中的电流波形:

双极模式
电枢电压极性是正负交替的。需要两组互补PWM同时对4个MOS管进行控制。

优点:能正反转运行,启动快,调速精度高,动态性能好,调速静差小,调速范围大,能加速,减速,刹车,倒转,能在负载超过设定速度时提供反向力矩,能克服电机轴承的静态摩擦力,产生非常低的转速。
缺点:控制电机复杂,在工作期间,4个MOS管都处于开关状态,功耗大。
控制过程:1和4同时处于PWM的高电平,于是由VCC-1-Motor-4-GND形成通路,电流上升。
当1和4同时变为低电平,2和3相应变为高电平,因为楞次定律,线圈上的电流方向不变,于是由GND-2-Motor-3-VCC形成通路,虽然存在反向的供电电压,但是电机的线圈电流更大,于是电流仍然向VCC流动,同时电流下降的更快,线圈电流波动也更大。

电流波形:

〈烜芯微/XXW〉专业制造二极管,三极管,MOS管,桥堆等,20年,工厂直销省20%,上万家电路电器生产企业选用,专业的工程师帮您稳定好每一批产品,如果您有遇到什么需要帮助解决的,可以直接联系下方的联系号码或加QQ/微信,由我们的销售经理给您精准的报价以及产品介绍
联系号码:18923864027(同微信)
QQ:709211280

