4个MOS管驱动的全桥电路原理解析

〈烜芯微/XXW〉专业制造二极管,三极管,MOS管,桥堆等,20年,工厂直销省20%,上万家电路电器生产企业选用,专业的工程师帮您稳定好每一批产品,如果您有遇到什么需要帮助解决的,可以直接联系下方的联系号码或加QQ/微信,由我们的销售经理给您精准的报价以及产品介绍
全桥驱动电路
全桥电路在实际的项目中运用的也比较多(比如电机,半导体制冷片等),有时候全桥芯片会达不到我们的需求(比如功率特别大的时候),这时就需要搭建一个符合我们需求的电路。
电路如下所示:由两片IRF2104,、4片IIRF3703、两个二极管和两个10UF的电容组成。
C1、C2是自举电容;
D1、D2自举二极管;
IRF3703构成H桥的4个桥臂;

全桥电路
掌握此电路的核心就是要弄懂自举电路是如何工作的?
下面简单介绍一下自举电路:
自举电路也叫升压电路,利用自举升压二极管,自举升压电容等电子元件,利用电容不能突变的特性使电容放电电压和电源电压叠加,从而使电压升高。
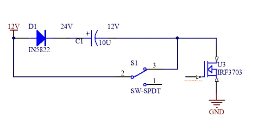
如下图所示当开关S1接3时MOS管导通此时C1负极与地相接电源通过D1、MOS管对电容进行充电当电路稳定之后电容正端电压对地为12V,负端对地电压为0V。

充电电路
当如下图所示MOS管关断时,由于电容电压不能突变,电容和12V电源相接C1负端相对地为12V ,由于二极管反向截止,正端的对地电压为电容充电电压和电源电压之和24V ,电容两端的电压为12V。

放电电路
了解了自举电路之后我们再来分析这个全桥电路就简单多了。
C1是自举电容,它是在Q2导通(此时Q1必定截止)期间(看作C1下端接地)由12V经D1完成充电的,等到Q2截止时C1下端就与地断开了,此时C1充有幅值等于12V的电压,就会上举使C1正端电位大于12V,因而使D1反偏而截止,这样C1上的电压充当电源就给Q1栅极提供了正向导通的偏压,使Q1导通。
C1充电的条件就是下管Q2导通如果无此条件(例如占空比变化到Q2始终处于截止状态)C1就自举不了S1就无法导通,这时就要另用独立电源来代替自举电容。
在编程控制时特别要注意的是Q1、Q4同时,Q2、Q4同时导通且不能交叉同事导通否则会烧坏MOS管,在功率大时也要注意MOS管要加散热片。
IRF2104的控制
由芯片手册提供的控制图(如下图所示)可知:当SD=1时,即允许使能IR2104芯片时, Ho的波形与IN波形相同,Lo波形与IN波形则是反相的关系。
Ho是高电平时,Lo就是低电平,反之Ho是低电平时,Lo就是高电平;这样使能芯片后我们控制输入端的PWM波形的占空比就可以对负载进行相应的控制了。

〈烜芯微/XXW〉专业制造二极管,三极管,MOS管,桥堆等,20年,工厂直销省20%,上万家电路电器生产企业选用,专业的工程师帮您稳定好每一批产品,如果您有遇到什么需要帮助解决的,可以直接联系下方的联系号码或加QQ/微信,由我们的销售经理给您精准的报价以及产品介绍
联系号码:18923864027(同微信)
QQ:709211280

