极速快3

您好!欢迎光临极速快3品牌官网!

深圳市极速快3有限公司

ShenZhen XuanXinWei Technoligy Co.,Ltd
二极管、三极管、MOS管、桥堆

全国服务热线:18923864027

  • 热门关键词:
  • 桥堆
  • 场效应管
  • 三极管
  • 二极管
  • 镜像恒流源电路图文解析
    • 发布时间:2023-02-27 17:43:03
    • 来源:
    • 阅读次数:
    镜像恒流源电路图文解析
    镜像恒流源电路
    如图1所示为镜像恒流源电路,它由两只特性完全相同的管子VT0和VT1构成,由于VT0管的c、b极连接,因此UCE0=UBE0,即VT0处于放大状态,集电极电流IC0=β0*IB0。
    另外,管子VT0和VT1的b-e分别连接,所以它们的基极电流IB0=IB1=IB。设电流放大系数β0=β1=β,则两管集电极电流IC0=IC1=IC=β*IB。可见,由于电路的这种特殊接法,使两管集电极IC1和IC0呈镜像关系,故称此电路为镜像恒流源(IR为基准电流,IC1为输出电流)。
    镜像恒流源电路
    图1 镜像恒流源电路
    镜像恒流源电路简单,应用广泛。但是在电源电压一定时,若要求IC1较大,则IR势必增大,电阻R的功耗就增大,这是集成电路中应当避免的;
    若要求IC1较小,则IR势必也小,电阻R的数值就很大,这在集成电路中很难做到,为此,人们就想到用其他方法解决,这样就衍生出其他电流源电路。
    比例恒流源电路
    如图2所示为比例恒流源电路,它由两只特性完全相同的管子VT0和VT1构成,两管的发射极分别串入电阻Re0和Re1。比例恒流电路源改变了IC1≈IR的关系,使IC1与IR呈比例关系,从而克服了镜像恒流源电路的缺点。
    与典型的静态工作点稳定电路一样,Re0和Re1是电流负反馈电阻,因此与镜像恒流源电路相比,比例恒流源的输出电流IC1具有更高的稳定性。
    当Re0=Re1时,IC1仍然等于IR,但此电路的IR由式(2-4)约定,比式(2-2)的IR小,一般用于前置放大器的输入级。
    镜像恒流源电路
    图2 比例恒流源电路
    微变恒流源电路
    由式(2-3)可知,若Re0很小甚至于为零,则Re1只采用较小的电阻就能获得较小的输出电流,这种电路称为微变恒流源,如图3所示。
    集成运放输入级静态电流很小,往往只有几十微安,甚至更小,因此微变电流源主要应用于集成运放输入级的有源负载。
    镜像恒流源电路
    图3 微变恒流源电路
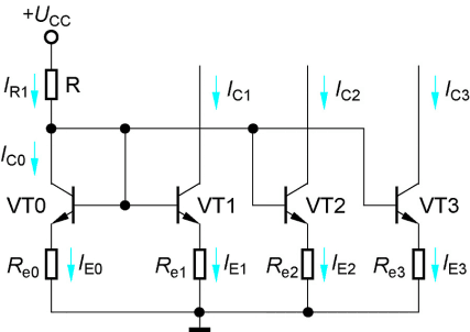
    多路恒流源电路
    集成运放是一个多级放大电路,因而需要多路恒流源电路分别给各级提供合适的静态电流。可以利用一个基准电流去获得多个不同的输出电流,以适应各级的需要。
    图4所示电路是在比例恒流源基础上得到的多路恒流源电路,IR为基准电流,IC1、IC2和IC3为三路输出电流。由于各管的b-e间电压UBE数值大致相等,因此可得近似关系
    IE0Re0≈IE1Re1≈IE2Re2≈IE3Re3(2-6)
    当IE0确定后,各级只要选择合适的电阻,就可以得到所需的电流。
    镜像恒流源电路
    图4 多路恒流源电路
    〈烜芯微/XXW〉专业制造二极管,三极管,MOS管,桥堆等,20年,工厂直销省20%,上万家电路电器生产企业选用,专业的工程师帮您稳定好每一批产品,如果您有遇到什么需要帮助解决的,可以直接联系下方的联系号码或加QQ/微信,由我们的销售经理给您精准的报价以及产品介绍
     
    联系号码:18923864027(同微信)
    QQ:709211280

    相关阅读
    79991cm德彩网 美彩国际7709 佰富彩采购大厅-欢迎您 名贯彩票-大发精准计划 88爱彩 - 欢迎您 美彩国际 - 欢迎您 德彩网 - 欢迎您 79991cm德彩网