LED灯方案原理图,LED驱动电路设计介绍
LED驱动原理图及方案解析

LED驱动原理图及方案解析

方案特点阐述
本 LED 驱动方案具备多项卓越特性。其一,集成高压启动模块,使灯具能够实现即开即亮的效果,有效规避了因启动电阻长期使用而出现老化开路的问题,确保灯具启动的稳定性和可靠性。
其二,内置高压智能 MOS 管(690V2.5Q),并采用 DIP7 封装形式。该封装方式使得高低压管脚之间距离充足,从而避免了打火炸机现象的发生,提升了产品的安全性。
其三,运用 QR 控制模式,此种模式有助于降低开关损耗,在提高驱动效率的同时,也延长了驱动器的使用寿命。
其四,工作频率设定为 100kHz,相较于传统较低频率的驱动方案,这一较高的频率能够缩小变压器的体积,进而有助于减小整个驱动电路的尺寸,使灯具设计更为紧凑。
其五,配备过温调节功能(OTC),赋予驱动器较强的抗干扰能力,确保在多系统环境下灯具不会出现闪灯现象。即使在灌胶后,输出电流依旧能够保持稳定,恒流精度控制在 3% 以内,为 LED 灯具提供了稳定的电力支持。
其六,具备全面的智能保护机制,涵盖输出开 / 短路保护、过压 / 欠压 / 过流保护以及 CS 电阻开路保护等多种保护功能,全方位保障驱动电路及灯具的安全运行,降低了因各种异常情况导致的灯具损坏风险。
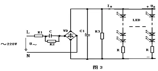
LED 驱动 - 镇流电阻方案
该驱动方案的原理电路图如图 1 所示。这是一种经典且一直沿用的简单电路。LED 工作电流的计算公式为:[具体公式]。由公式可知,电流 I 与镇流电阻 R 呈反比关系。当电源电压 U 上升时,电阻 R 能够限制电流 I 的过度增长,防止其超出 LED 的允许范围,从而在一定程度上保护 LED 灯珠。


此方案具有一定的优势,主要体现在电路结构简单,易于实现,成本较低,适合对成本较为敏感的小功率 LED 应用场景。然而,该方案也存在明显的不足之处。一方面,电流稳定度不高,容易受到电源电压波动等因素的影响,导致 LED 的亮度可能出现不稳定的情况。另一方面,电阻在工作过程中会发热并消耗功率,使得用电效率相对较低,一般仅适用于小功率 LED 的驱动,对于中大功率 LED 应用则显得力不从心。
通常,一般资料所提供的镇流电阻 R 的计算公式仅能满足工作电流 I 这一基本条件。然而,对于驱动电路的其他两个关键性能指标——电流稳定度和用电效率,该公式却未予以考虑。因此,依据此公式设计出的电路,在性能方面难以得到有效保障,难以满足对驱动性能有较高要求的应用场景。




LED 驱动 - 镇流电容方案


该方案基于在交流电路中,电容所具有的容抗 XC 也能起到类似 “镇流作用” 的原理。与电阻不同的是,电容在工作时主要消耗无功功率,并不会产生热量。而电阻则会消耗有功功率,并将电能转化为热能耗散掉,因此镇流电容相较于镇流电阻,在一定程度上能够节省电能,提高电能利用效率。此外,采用镇流电容的方案还能够设计成将 LED 灯直接接入市电 ~220V 的方式,使用起来更为便捷,无需额外复杂的电源转换装置。
此方案的优势在于电路构造简单,成本相对较低,且供电方便,适用于一些对成本和供电便利性有较高要求的场景。不过,该方案同样存在一定的局限性,其电流稳定度和效率也均不高,主要适用于小功率 LED 的驱动应用。尤其在 LED 数量较多,串联后 LED 支路电压较高的情况下,这种镇流电容方案则更为适用,能够较好地满足此类特殊场景下的应用需求。
综上所述,不同的 LED 驱动方案各有优劣,在实际应用中应根据具体的使用场景、性能要求以及成本预算等因素,综合权衡后选择最为合适的驱动方案,以实现 LED 灯具的最佳性能和使用寿命。
〈烜芯微/XXW〉专业制造二极管,三极管,MOS管,桥堆等,20年,工厂直销省20%,上万家电路电器生产企业选用,专业的工程师帮您稳定好每一批产品,如果您有遇到什么需要帮助解决的,可以直接联系下方的联系号码或加QQ/微信,由我们的销售经理给您精准的报价以及产品介绍
联系号码:18923864027(同微信)
QQ:709211280

