常用仪表放大器详解
仪表放大器在信号处理系统中主要用于放大电压信号,其应用广泛且至关重要。
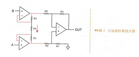
一、OP07 基本放大电路
OP07 是一款常见的运算放大器,可构成基本放大电路。例如,当电阻 RI33 为 68kΩ,RI34 为 2kΩ 时,放大倍数 G=RI33/RI34=68/2=34。


二、三运放仪表放大器


三运放仪表放大器具有独特设计。第一级电路使共模信号有效通过而无放大或衰减,第二级差动放大器去除共模信号。虽然电阻匹配未改善,但系统有效共模抑制能力增强。
实际应用注意事项
第一级必须提供增益。
系统的共模抑制不取决于前两个放大器的共模抑制比性能,而取决于两个共模抑制的匹配程度。由于双运算放大器不提供这一指标,选择时要求 CMRR 性能指标比目标性能至少好 6dB。
若电阻器存在对地泄露通路,CMRR 指标会降低。
仪表放大器前面的元件设计要平衡。若同相通路和反相通路的低通滤波器截止频率不同,系统 CMRR 特性会随频率升高而降低。
对于第一级,每个运算放大器保持两个电压输入端电压相同。图中 R4 两端差分电压应与两个输入端电压相同,此电压产生电流流过 R3,形成放大器增益。
常见问题
该结构放大差分信号并去除共模信号。两级间中间节点承载约一半差分信号加共模信号,需确保其处于运放工作范围内。若改变输入电压共模成分出现饱和现象,应检查此处。
高增益设置使 R4 很小,差分电压大时,R4 上电流也大,需检查对系统的影响。
反馈通路走线要短,过大电容会使高频时共模抑制比性能降低。
三、两运放仪表放大器


若无需三运放结构的高性能,可采用两运放结构,其优点是结构简单,仅需两个运算放大器和四个电阻器,在能耗方面更低。
与三运放结构相比,两运放仪表放大器性能稍差。其共模抑制比对电阻器阻值变化的灵敏度略高于差分放大器结构。最坏情况下,0.1% 电阻器匹配条件下 CMRR 为 50.5dB,且不随增益增加而改善。由于通路不平衡,同相通路信号频率响应与反相通路不同,反相通路存在相位延迟,压摆率和带宽特性也不同,噪声性能较差。
常见问题
第一级输出电压是放大后的输入电压(含共模电压),需关注其电压值。
CMRR 对电阻匹配极为敏感,需注重电阻器匹配。
高频性能方面,差动放大器结构简单,但输入阻抗、噪声和 CMRR 性能较差;三运放仪表放大器第一级提供高输入阻抗,引入增益还可提高噪声和 CMRR 性能;两运放结构虽简单且输入阻抗高,但噪声和 CMRR 性能无法随增益增加而改善。
〈烜芯微/XXW〉专业制造二极管,三极管,MOS管,桥堆等,20年,工厂直销省20%,上万家电路电器生产企业选用,专业的工程师帮您稳定好每一批产品,如果您有遇到什么需要帮助解决的,可以直接联系下方的联系号码或加QQ/微信,由我们的销售经理给您精准的报价以及产品介绍
联系号码:18923864027(同微信)
QQ:709211280

